AIRCONDITIONER экскаватора гусеничного модели DX Doosan DX225LC
AIRCONDITIONER экскаватора гусеничного модели DX Doosan DX225LC со списком деталей и комплектацией. Каждую деталь можно приобрести в наличии и под заказ с дотавкой по всей России
Код подсистемы:1790
Наименование:AIRCONDITIONER
Версия:K1048001EF
AIRCONDITIONER DX225LC

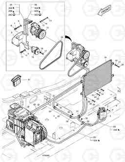
Поз. | Код | Наименование | Кол | Прим. | |
---|---|---|---|---|---|
- | K1044921B | ASSEMBLY;AIR CONDITIONER | - | ||
10 | S5102703 | Шайба пружинная M12 | 2 | ||
11 | S5010713 | WASHER;PLAIN M12 | 2 | ||
12 | 2208-6013B | COMPRESSOR | 1 | ||
13 | S0557166 | Болт | 4 | ||
14 | S5102503 | Шайба пружинная M8 | 4 | ||
15 | S5010513 | WASHER;PLAIN M8 | 4 | ||
16 | 2107-6006 | PULLEY ASS'Y;IDLE | 1 | ||
17 | S0512066 | Болт | 2 | ||
18 | S5102603 | Шайба пружинная M10 | 2 | ||
19 | 520-00004 | CONDENSER;AIR CON | 1 | ||
2 | 2204-6039A | RECEIVER DRIER | 1 | ||
20 | S0509366 | Болт | 4 | ||
21 | S5102503 | Шайба пружинная M8 | 4 | ||
22 | 2114-1058D29 | Шайба | 4 | ||
23 | S0504666 | Болт | 1 | ||
24 | S5010303 | WASHER;PLAIN M6 | 1 | ||
25 | 2114-1058D52 | Шайба | 1 | ||
26 | K1008516B | HOSE;DISCHARGE | 1 | ||
26A | 2180-6088 | O-RING(COMP) | 1 | ||
26B | K1011384 | O-RING(CONDENSER) | 1 | ||
26C | 1.161-00018 | CAP;CHECK PORT(H) | 1 | ||
28 | K1008518B | HOSE;LIQUID(1) | 1 | ||
28A | K1011388 | Кольцо уплотнительное (О-кольцо) | 2 | ||
3 | S0508666 | Болт | 2 | ||
30 | 124-00208D3 | Скоба (хомут) | 3 | ||
31 | 124-00209D1 | Скоба (хомут) | 1 | ||
32 | K1001029 | Болт | 4 | ||
33 | 2106-1019D25 | Ремень кондиционера | 1 | ||
34 | S4012303 | NUT M6X1.0 | 2 | ||
35 | S5102303 | Шайба пружинная M6 | 2 | ||
36 | S5000313 | Шайба плоская | 2 | ||
4 | S5102503 | Шайба пружинная M8 | 2 | ||
5 | K1037356A | BRACKET;COMPRESSOR | 1 | ||
6 | S0558966 | Болт | 1 | ||
7 | S5102603 | Шайба пружинная M10 | 1 | ||
8 | S5010613 | WASHER;PLAIN M10 | 1 | ||
9 | S0786366 | Болт | 2 | ||
91 | 543-00107 | CONTROL PANEL;AIR CON | 1 | ||
92 | K1008517A | HOSE;SUCTION | 1 | ||
92A | 2180-6086 | O-RING(COMP) | 1 | ||
92B | K1011385 | O-RING(EVAPORATOR) | 1 | ||
92C | 1.161-00019 | CAP;CHECK PORT(L) | 1 | ||
93 | K1001280C | HOSE;LIQUID(2) | 1 | ||
93A | K1011388 | Кольцо уплотнительное (О-кольцо) | 2 |