Система охлаждения (старая версия) погрузчика дизельного Hyundai 20D/25D/30D/33D-7
Система охлаждения (старая версия) погрузчика дизельного Hyundai 20D/25D/30D/33D-7 со списком деталей и комплектацией. Каждую деталь можно приобрести в наличии и под заказ с дотавкой по всей России
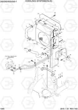
Код подсистемы:1040
Наименование:COOLING SYSTEM(OLD)
Версия:2010. 7.30 REV.10G
COOLING SYSTEM(OLD) 20D/25D/30D/33D-7

Поз. | Код | Наименование | Кол | Прим. | |
---|---|---|---|---|---|
* | @ | COOLING SYSTEM | 1 |
20D-7
|
|
* | @ | COOLING SYSTEM | 1 |
25D-7
|
|
* | @ | COOLING SYSTEM | 1 |
30D-7
|
|
* | @ | COOLING SYSTEM | 1 |
33D-7
|
|
1 | 11HA-30161 | радиатор полная | 1 | ||
1-1 | 11HA-30170 | Радиатор в сборе | 1 | ||
1-10 | 11HA-30280 | J гайка | 6 | ||
1-11 | P010-430003 | Соединитель | 2 | ||
1-2 | 11HA-30180 | Кожух | 1 | ||
1-3 | S033-061522 | Болт | 4 | ||
1-4 | 11HA-30220 | резиновые подушки | 2 | ||
1-5 | 11HA-30230 | Фланец | 2 | ||
1-7 | 11HA-30250 | Упаковка | 2 | ||
1-8 | 11HA-30260 | DRAIN HOSE | 1 | ||
1-9 | 11HA-30270 | Крышка в сборе | 1 | ||
10 | 11M6-52330 | Бак | 1 | ||
11 | 11F1-50410 | Шланг | 1 | ||
12 | 12FA-50200 | Шланг | 1 | ||
13 | 11HA-50110 | хомут | 3 |
20D-7
|
|
13 | 11HA-50110 | хомут | 3 |
25D-7
|
|
13 | 11HA-50110 | хомут | 3 |
30D-7
|
|
13 | S520-015000 | Зажим | 3 |
33D-7
|
|
13 | 11HA-50110 | хомут | 3 |
33D-7
|
|
14 | 11HF-30180 | трубы т / м | 1 | ||
15 | 11HA-30143 | шланг | 1 |
20D-7
|
|
15 | 11HA-30143 | шланг | 1 |
25D-7
|
|
15 | 11HA-30143 | шланг | 1 |
30D-7
|
|
15 | 11HA-30142 | шланг | 1 |
33D-7
|
|
15 | 11HA-30143 | шланг | 1 |
33D-7
|
|
16 | 11HA-30153 | шланг из | 1 |
20D-7
|
|
16 | 11HA-30153 | шланг из | 1 |
25D-7
|
|
16 | 11HA-30153 | шланг из | 1 |
30D-7
|
|
16 | 11HA-30152 | шланг из | 1 |
33D-7
|
|
16 | 11HA-30153 | шланг из | 1 |
33D-7
|
|
17 | S520-020000 | Зажим | 2 |
20D-7
|
|
17 | S572-200006 | Зажим | 2 |
20D-7
|
|
17 | S520-020000 | Зажим | 2 |
25D-7
|
|
17 | S572-200006 | Зажим | 2 |
25D-7
|
|
17 | S520-020000 | Зажим | 2 |
30D-7
|
|
17 | S572-200006 | Зажим | 2 |
30D-7
|
|
17 | S520-020000 | Зажим | 2 |
33D-7
|
|
17 | S572-200006 | Зажим | 2 |
33D-7
|
|
18 | 11HF-30171 | трубы т / м | 1 |
20D-7
|
|
18 | 11HF-30171 | трубы т / м | 1 |
25D-7
|
|
18 | 11HF-30171 | трубы т / м | 1 |
30D-7
|
|
18 | 11HF-30171 | трубы т / м | 1 |
33D-7
|
|
18 | 11HF-30171 | трубы т / м | 1 |
33D-7
|
|
19 | 11HA-30190 | BRACKET-R/TANK | 1 | ||
2 | S015-080506 | Болт с шестигранной головкой (под шестигранник) | 2 | ||
20 | S035-082026 | Болт | 6 | ||
21 | 11HH-30040 | Резиновая подушка | 2 | ||
22 | 11HA-30200 | SCREEN WA | 1 |
20D-7
|
|
22 | 11HA-30201 | Пластина | 1 |
20D-7
|
|
22 | 11HA-30200 | SCREEN WA | 1 |
25D-7
|
|
22 | 11HA-30201 | Пластина | 1 |
25D-7
|
|
22 | 11HA-30200 | SCREEN WA | 1 |
30D-7
|
|
22 | 11HA-30201 | Пластина | 1 |
30D-7
|
|
22 | 11HA-30200 | SCREEN WA | 1 |
33D-7
|
|
22 | 11HA-30201 | Пластина | 1 |
33D-7
|
|
23 | S035-063526 | Болт | 2 | ||
24 | 11HA-30210 | Пластина | 1 | ||
3 | S403-08500B | Плоская шайба | 4 | ||
4 | S411-080006 | Шайба пружинная | 4 | ||
5 | S275-100006 | Гайка самоблокирующаяся | 2 | ||
6 | 31L6-02470 | Зажим | 2 | ||
7 | 11HA-30111 | Верхний шланг | 1 | ||
8 | 11HA-30121 | шланг ниже | 1 | ||
9 | S572-570006 | Зажим | 4 | ||
N1-6 | 11HA-30240 | NAME PLATE | 1 |