AIRCON & HEATER (OPT) погрузчика дизельного Hyundai 50/60/70D-7K
AIRCON & HEATER (OPT) погрузчика дизельного Hyundai 50/60/70D-7K со списком деталей и комплектацией. Каждую деталь можно приобрести в наличии и под заказ с дотавкой по всей России
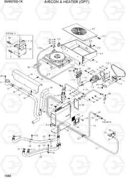
Код подсистемы:1060
Наименование:AIRCON & HEATER (OPT)
Версия:
AIRCON & HEATER (OPT) 50/60/70D-7K

Поз. | Код | Наименование | Кол | Прим. | |
---|---|---|---|---|---|
1-1 | 11FQ-93663 | климатической и отопителя | 1 |
SEE 1070
|
|
1-10 | 11FQ-93620 | приемник | 1 | ||
1-11 | 1BFQ-90220 | HOSE ASSY-DIS A | 1 | ||
1-12 | 11FQ-93760 | кронштейнах | 4 | ||
1-13 | 1BFQ-90210 | HOSE ASSY-SUCTION B | 1 | ||
1-14 | 1BFQ-90250 | CLIP-DIS HOSE | 1 | ||
1-15 | 1BFQ-90260 | CLIP-SUC HOSE | 1 | ||
1-2 | 11FQ-93610 | Конденсатор в сборе | 1 | ||
1-3 | 11FT-96120 | Компрессор | 1 | ||
1-4 | 11S8-90260 | кронштейн и т / шкив | 1 | ||
1-5 | 1BFQ-90021 | Ремень клиновой (приводной) | 1 | ||
1-6 | 1BFQ-90053 | HOSE ASSY-SUCTION A | 1 | ||
1-8 | 11FQ-93652 | HOSE ASSY-LIQ B | 1 | ||
1-9 | 11FQ-93641 | шланг в сборе раств. | 1 | ||
10 | 11FQ-93530 | Шланг | 1 | ||
11 | S109-100406 | Болт с шестигранной головкой (под шестигранник) | 4 | ||
12 | 11EH-92040 | шланг отопителя | 1 | ||
12 | 11EH-92050 | шланг отопителя | 1 | ||
13 | S035-081556 | Болт | 16 | ||
2 | S035-082026 | Болт | 8 | ||
21 | S520-060000 | Зажим | 8 | ||
22 | E127-3136 | Клапан отсечки | 1 | ||
23 | 71S4-60280 | Соединитель | 1 | ||
24 | S520-027000 | Зажим | 4 | ||
25 | S017-100356 | Болт с шестигранной головкой (под шестигранник) | 1 | ||
26 | S411-100006 | Шайба пружинная | 6 | ||
27 | S403-10100B | Плоская шайба | 1 | ||
28 | 11FQ-93480 | воздушный шланг | 1 | ||
29 | 11FQ-93490 | воздушный шланг | 1 | ||
3 | 1AFQ-90110 | COVER ASSY | 1 | ||
3-1 | 1AFQ-90120 | COVER-CONDENSER | 1 | ||
3-2 | 1AFQ-90130 | UPPER COVER-CONDEMSER | 1 | ||
3-3 | S035-061526 | Болт | 4 | ||
3-4 | S791-045025 | втулка пластина | 1 | ||
3-5 | S661-400800 | Крышка резиновая | 1 | ||
3-6 | S035-081526 | Болт | 2 | ||
30 | 11FQ-93500 | воздушный шланг | 1 | ||
31 | 11FQ-93681 | DUCT | 1 | ||
32 | 11FQ-93700 | заглушка | 1 | ||
33 | 11FQ-93712 | Шайба | 1 | ||
34 | 71N6-20230 | Зажим | 8 | ||
35 | 11FQ-93720 | коврик резиновый | 1 | ||
37 | 31L6-02470 | Зажим | 2 | ||
38 | S132-081526 | SCREW-W/WASHER | 8 | ||
39 | S205-061006 | Гайка | 4 | ||
4 | S037-102026 | Болт | 4 | ||
40 | S403-06200B | Плоская шайба | 4 | ||
41 | S411-060006 | Шайба пружинная | 4 | ||
42 | 11FQ-93740 | Фильтр в сборе | 1 | ||
43 | S035-063526 | Болт | 4 | ||
44 | S035-062026 | Болт | 2 | ||
45 | 71Q6-22400 | воздушных форсунок | 1 | ||
46 | 11FQ-93750 | SPONGE | 1 | ||
47 | S205-08100B | Гайка | 1 | ||
48 | S411-080006 | Шайба пружинная | 2 | ||
49 | S403-08000B | Плоская шайба | 2 | ||
5 | 1BFQ-90100 | BRACKET-COMP | 1 | ||
50 | S018-100256 | Болт с шестигранной головкой (под шестигранник) | 1 | ||
51 | S403-10000B | Плоская шайба | 1 | ||
52 | P090-101006 | Разъем шланга | 1 | ||
53 | 1BFQ-90240 | PLATE WA-HOSE | 1 | ||
54 | 1BFQ-90131 | Пластина | 1 | ||
56 | S035-061526 | Болт | 2 | ||
57 | S441-12000B | Шайба | 3 | ||
58 | 1BFQ-90180 | BAR-GUIDE | 1 | ||
59 | 11HA-90020 | ELBOW | 1 | ||
6 | S018-120306 | Болт с шестигранной головкой (под шестигранник) | 3 | ||
7 | S037-102526 | Болт | 4 | ||
8 | S016-080256 | Болт с шестигранной головкой (под шестигранник) | 1 | ||
9 | 76FQ-50161 | COVER ASSY фильтр | 1 |