OIL PAN & REAR PLATE погрузчика дизельного Hyundai 50/60/70D-7E ACE
OIL PAN & REAR PLATE погрузчика дизельного Hyundai 50/60/70D-7E ACE со списком деталей и комплектацией. Каждую деталь можно приобрести в наличии и под заказ с дотавкой по всей России
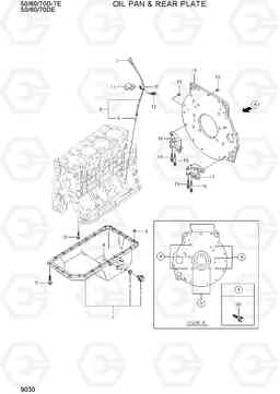
Код подсистемы:9030
Наименование:OIL PAN & REAR PLATE
Версия:
OIL PAN & REAR PLATE 50/60/70D-7E ACE
| Поз. | Код | Наименование | Кол | Прим. | |
|---|---|---|---|---|---|
| 1 | XKBH-02773 | PAN ASS'Y - ENGINE OIL | 1 | ||
| 10 | XKBH-02780 | Зажим | 1 | ||
| 11 | XKBH-02781 | Опора | 1 | ||
| 12 | XKBH-02782 | Болт | 1 | ||
| 13 | XKBH-01068 | Болт | 1 | ||
| 14 | XKBH-02783 | PLATE - CYLINDER BLOCK REAR | 1 | ||
| 15 | XKBH-02784 | PIN - DOWEL | 1 | ||
| 16 | XKBH-02785 | STIFFENER - L/H | 1 | ||
| 17 | XKBH-02786 | STIFFENER - R/H | 1 | ||
| 18 | XKBH-02787 | Болт | 2 | ||
| 19 | XKBH-01429 | Болт с фланцем | 2 | ||
| 2 | XKBH-00397 | PLUG-OIL DRAIN | 1 | ||
| 20 | XKBH-02788 | Болт | 8 | ||
| 3 | XKBH-02774 | GASKET - OIL PLUG | 1 | ||
| 4 | XKBH-02775 | Прокладка | 1 | ||
| 5 | XKBH-01423 | Болт с фланцем | 23 | ||
| 6 | XKBH-00009 | контактный штифт | 2 | ||
| 7 | XKBH-02776 | OIL LEVEL GAUGE | 1 |
C1
|
|
| 8 | XKBH-02778 | GUIDE - OIL LEVEL GAUGE | 1 |
C1
|
|
| 9 | XKBH-01517 | Кольцо уплотнительное (О-кольцо) | 1 |

