Блок цилиндров погрузчика дизельного Hyundai 80D-7E ACE
Блок цилиндров погрузчика дизельного Hyundai 80D-7E ACE со списком деталей и комплектацией. Каждую деталь можно приобрести в наличии и под заказ с дотавкой по всей России
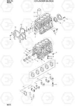
Код подсистемы:9010
Наименование:CYLINDER BLOCK
Версия:
CYLINDER BLOCK 80D-7E ACE

Поз. | Код | Наименование | Кол | Прим. | |
---|---|---|---|---|---|
* | XKBH-02737 | Блок цилиндров в сборе | 1 | ||
10 | XKBH-02744 | INER - CYLINDER | 4 | ||
10 | XKBH-02745 | INER - CYLINDER | AR | ||
11 | XKBH-01582 | Палец для зуба ковша | 1 | ||
12 | XKBH-02746 | Втулка распредвала 4 | 1 | ||
13 | XKBH-02747 | Втулка распредвала 5 | 1 | ||
14 | XKBH-02748 | CAP - SEALING | 1 | ||
15 | XKBH-02749 | PIN - DOWEL | 1 | ||
16 | XKBH-00824 | CAP-SEALING | 3 | ||
17 | XKBH-02750 | PIN - DOWEL | 4 | ||
18 | XKBH-01581 | Палец | 6 | ||
19 | XKBH-02751 | Болт крышки подшпиника | 10 | ||
2 | XKBH-00826 | CAP-SEALING | 6 | ||
20 | XKBH-02752 | SEAL - CRK/SHT BR CAP SIDE | 2 | ||
21 | XKBH-02753 | PLATE - CRK/SHT THRUST | 3 |
STD
|
|
21 | XKBH-02754 | PLATE - CRK/SHT THRUST | AR |
OS=0.15
|
|
21 | XKBH-02755 | PLATE - CRK/SHT THRUST | AR |
OS=0.30
|
|
21 | XKBH-02756 | PLATE - CRK/SHT THRUST | AR |
OS=0.45
|
|
22 | XKBH-02757 | BEARING SET - CRK/SHT | 1 |
STD
|
|
22 | XKBH-02758 | BEARING SET - CRK/SHT | AR |
US=0.25
|
|
22 | XKBH-02759 | BEARING SET - CRK/SHT | AR |
US=0.50
|
|
22 | XKBH-02760 | BEARING SET - CRK/SHT | AR |
US=0.75
|
|
22 | XKBH-02761 | BEARING SET - CRK/SHT | AR |
US=1.00
|
|
23 | XKBH-02762 | Клапан обратный, в сборе | 4 | ||
24 | XKBH-02763 | ZET ASS'Y - OIL | 4 | ||
25 | XKBH-00380 | BOLT-FLANGE(8×35) | 1 | ||
26 | XKBH-02764 | PLATE ASS'Y - FRT | 1 | ||
27 | XKBH-02765 | GASKET - CY. BLOCK FRT PLATE | 1 | ||
28 | XKBH-01068 | Болт | 5 | ||
29 | XKBH-02766 | SEAL - OIL REAR | 1 | ||
3 | XKBH-02739 | CAP - SEALING | 2 | ||
30 | XKBH-02767 | SEAL - OIL CRK/SHT REAR | 1 | ||
31 | XKBH-01387 | Болт с фланцем | 7 | ||
4 | XKBH-00823 | CAP-SEALING | 2 | ||
5 | XKBH-02740 | Втулка распредвала 1 | 1 | ||
6 | XKBH-02741 | Втулка распредвала 1 | 1 | ||
7 | XKBH-02742 | Втулка распредвала 3 | 1 | ||
8 | XKBH-01076 | Палец для зуба ковша | 1 | ||
9 | XKBH-02743 | PIN - SPRING | 2 | ||
N1 | XKBH-02738 | CRANK CASE | 1 |