Крышка клапанная (головки цилиндров) фронтального погрузчика колесного Hyundai HL730-7A
Крышка клапанная (головки цилиндров) фронтального погрузчика колесного Hyundai HL730-7A со списком деталей и комплектацией. Каждую деталь можно приобрести в наличии и под заказ с дотавкой по всей России
Код подсистемы:9540
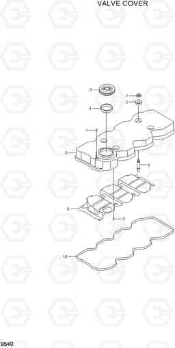
Наименование:VALVE COVER
Версия:
VALVE COVER HL730-7A

Поз. | Код | Наименование | Кол | Прим. | |
---|---|---|---|---|---|
* | 4895459 | CAP-FILLER | 1 | ||
*-1 | 3968859 | Крышка клапанная (головки цилиндров) | 1 | ||
1 | 4893936 | Гайка шестигранная фланец | 4 |
VC9309-01
|
|
10 | 4899228 | Прокладка клапанной крышки (головки цилиндров) | 1 | ||
2 | 4899239 | Изолятор шума | 4 | ||
6 | 4899188 | RIVET | 8 | ||
7 | 3945095 | Дюбельная | 1 | ||
9 | 4896991 | Шпилька | 4 | ||
N | @ | NOT INDIVIDUALLY SUPPLIED | AR | ||
N *-2 | 2831348 | Крышка клапанная (головки цилиндров) | 1 | ||
N3 | 4895460 | Крышка топливного бака | 1 | ||
N4 | 4895461 | Прокладка | 1 | ||
N5 | 4898648 | перегородка передышку | 1 | ||
N8 | 2831326 | Крышка клапанная (головки цилиндров) | 1 |