CAB ELECTRIC 1 фронтального погрузчика колесного Hyundai HL730-9A
CAB ELECTRIC 1 фронтального погрузчика колесного Hyundai HL730-9A со списком деталей и комплектацией. Каждую деталь можно приобрести в наличии и под заказ с дотавкой по всей России
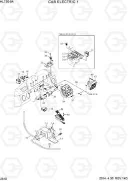
Код подсистемы:2010
Наименование:CAB ELECTRIC 1
Версия:2014. 4.30 REV.14D
CAB ELECTRIC 1 HL730-9A

Поз. | Код | Наименование | Кол | Прим. | |
---|---|---|---|---|---|
15 | 21LM-01940 | Переключатель | 1 | ||
16 | 21LM-01921 | Переключатель света работы | 1 | ||
17 | 21LM-01910 | Выключатель | 1 | ||
2 | 21LM-10280 | Наклейка комплект | 1 |
FINGERTIP RCV
|
|
2-1 | 21LM-10260 | Наклейка удар вниз | 1 | ||
2-2 | 21LM-10240 | Наклейка рог | 1 | ||
2-3 | 21LM-10250 | Наклейка РБН | 1 | ||
27 | 21LM-02020 | Переключатель РБН | 1 |
FINGERTIP RCV
|
|
30 | 21E6-10460 | Крышка | 1 | ||
33 | 21LM-10210 | Наклейка т / режим M | 1 | ||
35 | 21LM-03260 | Поворотный переключатель 4posi | 2 | ||
37 | 21LM-01700 | кнопочный выключатель | 3 |
FINGERTIP RCV
|
|
38 | 24L3-00341 | Переключатель многофункциональный | 1 | ||
39 | 21LM-35001 | кластер | 1 | ||
40 | 21LM-38500 | Монитор | 1 | ||
40 | 21LM-38501 | Монитор | 1 | ||
50 | @ | HARNESS-MAIN | 1 |
SEE 2015
|
|
56 | 21LL-01570 | педаль электронная | 1 | ||
57 | S132-061546 | SCREW-W/WASHER | 4 | ||
59 | S035-082026 | Болт | 3 | ||
60 | S017-080156 | Болт с шестигранной головкой (под шестигранник) | 1 | ||
62 | S141-040142 | Винт с потайной головкой | 4 | ||
63 | 31L7-10190 | Зажим трубки | 1 | ||
68 | 11LK-00070 | GEAR SELECTOR | 1 | ||
7 | 21LN-30631 | бачок омывателя в сборе | 1 | ||
7-1 | MH305310 | Пластина | 1 | ||
7-2 | 21EG-10310 | электродвигатель стеклоочистителя | 2 | ||
7-3 | @ | TANK | 1 | ||
7-4 | @ | CAP | 1 | ||
74 | 31L7-10210 | модули зажим для труб | 1 | ||
75 | 21EM-30581 | Рукав высокого давления (РВД) | 2 | ||
84 | S132-082026 | SCREW-W/WASHER | 2 | ||
85 | S109-080256 | Болт с шестигранной головкой (под шестигранник) | 2 |