STEERING HYDRAULIC PIPING 1 фронтального погрузчика колесного Hyundai HL730-9S
STEERING HYDRAULIC PIPING 1 фронтального погрузчика колесного Hyundai HL730-9S со списком деталей и комплектацией. Каждую деталь можно приобрести в наличии и под заказ с дотавкой по всей России
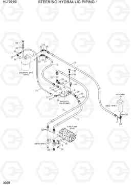
Код подсистемы:3050
Наименование:STEERING HYDRAULIC PIPING 1
Версия:
STEERING HYDRAULIC PIPING 1 HL730-9S

Поз. | Код | Наименование | Кол | Прим. | |
---|---|---|---|---|---|
11 | P910-044011 | Шланг в сборе | 1 | ||
12 | P930-124010 | Шланг в сборе | 1 | ||
13 | P930-084010 | Шланг в сборе | 1 | ||
16 | P910-082030 | Шланг в сборе | 1 | ||
17 | 31LG-30070 | Рукав высокого давления (РВД) | 1 | ||
22 | 31LG-30080 | Штуцер -90 | 1 | ||
23 | X500-310003 | Разъем | 3 | ||
24 | X520-110003 | Штуцер 90 orfs | 1 | ||
25 | 31LG-30090 | Штуцер -90 | 1 | ||
26 | 31LG-30100 | Колено 90 | 1 | ||
27 | 31FG-10020 | Колено 90 | 2 | ||
29 | S109-100406 | Болт с шестигранной головкой (под шестигранник) | 4 | ||
30 | S631-018004 | Кольцо уплотнительное (О-кольцо) | 1 | ||
31 | S621-014001 | Кольцо уплотнительное (О-кольцо) | 6 | ||
32 | S611-016001 | Кольцо уплотнительное (О-кольцо) | 2 | ||
33 | S621-018001 | О кольцо | 4 | ||
34 | S611-019001 | Кольцо уплотнительное (О-кольцо) | 2 | ||
35 | Y171-024004 | Кольцо уплотнительное (О-кольцо) | 1 | ||
36 | S611-009001 | Кольцо уплотнительное (О-кольцо) | 2 | ||
37 | 31LG-30150 | Штуцер -90 | 2 | ||
38 | S017-100856 | Болт с шестигранной головкой (под шестигранник) | 4 | ||
39 | S441-10000B | Шайба | 4 | ||
44 | S037-123056 | Болт | 2 | ||
45 | S015-080556 | Болт с шестигранной головкой (под шестигранник) | 1 | ||
46 | S441-08000B | Шайба | 1 | ||
5 | 31LN-31511 | Трубка | 1 | ||
60 | 31Q4-40800 | Датчик давления | 1 | ||
8 | 31L8-30032 | Пластина | 1 |