Электрика двигателя и коробки передач (КПП) фронтального погрузчика колесного Hyundai HL730-3(#1001-)
Электрика двигателя и коробки передач (КПП) фронтального погрузчика колесного Hyundai HL730-3(#1001-) со списком деталей и комплектацией. Каждую деталь можно приобрести в наличии и под заказ с дотавкой по всей России
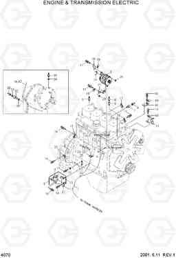
Код подсистемы:4070
Наименование:ENGINE & TRANSMISSION ELECTRIC
Версия:2001. 6.11 REV.1
ENGINE & TRANSMISSION ELECTRIC HL730-3(#1001-)

Поз. | Код | Наименование | Кол | Прим. | |
---|---|---|---|---|---|
1 | 21L8-50022 | Проводка двигателя (ДВС) | 1 | ||
10 | S035-061522 | Болт | 4 | ||
11 | S035-082022 | Болт | 4 | ||
12 | 21EG-50320 | Пластина | 1 | ||
14 | S037-122522 | Болт | 7 | ||
15 | S543-050002 | CLAMP-TUBE | 1 | ||
16 | S543-080002 | Зажим трубки | 2 | ||
17 | S543-120002 | Зажим трубки | 2 | ||
18 | S431-120002 | Стопорная шайба (кольцо), внутренние зубья | 1 | ||
19 | S543-140002 | Зажим трубки | 1 | ||
2 | 21E6-40030 | Генератор | 1 | ||
20 | 31E7-0315 | Зажим | 1 | ||
21 | 31E7-0316 | Зажим | 5 | ||
22 | S552-035146 | Зажим | 5 | ||
23 | S554-054300 | Зажим | 5 | ||
24 | 21E1-21120 | провод генератора | 1 | ||
25 | 21L8-30720 | ремень земля | 1 | ||
27 | 21L7-11100 | Пластина | 1 | ||
28 | 21L7-20370 | Пластина | 1 | ||
29 | S205-081002 | Гайка | 2 | ||
3 | E225-0004 | RELAY-START | 1 | ||
30 | 34L3-01600 | Датчик давления (переключатель, реле) | 1 | ||
31 | P392-100000 | Шайба медная | 1 | ||
32 | 21E4-3009 | Адаптер | 1 | ||
33 | P392-120000 | Шайба медная | 1 | ||
34 | P392-140000 | Шайба медная | 1 | ||
35 | 25D1-00510 | SENDER-TRANS TEMP | 1 | ||
36 | 21L8-00072 | HARNESS-T/M CHECK | 1 | ||
4 | 21E3-5001 | Переключатель ENG давление масла | 1 | ||
42 | 21L8-01070 | HARNESS-T/M CHECK | 1 |
EMER STEER
|
|
43 | S541-100002 | клип жгут | 2 | ||
44 | 21EA-50380 | Пластина | 1 | ||
5 | 25D1-00400 | SENDER-WATER TEMP | 1 | ||
6 | 21E3-5002 | SWITCH-WATER TEMP | 1 | ||
7 | 21L7-00611 | Адаптер | 1 | ||
8 | 21E3-40510 | FITTING-WATER TEMP SW | 1 | ||
9 | 21L8-00710 | BRACKET(START RELAY) | 1 |