DRIVE LINES фронтального погрузчика колесного Hyundai HL730TM-9A
DRIVE LINES фронтального погрузчика колесного Hyundai HL730TM-9A со списком деталей и комплектацией. Каждую деталь можно приобрести в наличии и под заказ с дотавкой по всей России
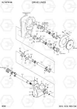
Код подсистемы:6030
Наименование:DRIVE LINES
Версия:2013. 10.31 REV.13K
DRIVE LINES HL730TM-9A

Поз. | Код | Наименование | Кол | Прим. | |
---|---|---|---|---|---|
1 | 11LP-00050 | Муфта соединительная | 1 |
CHANGE WITH 8
|
|
11 | S017-16040D | Болт с шестигранной головкой (под шестигранник) | 4 | ||
12 | S441-160006 | Шайба | 4 | ||
13 | S205-20100B | Гайка | 4 | ||
14 | S087-060286 | Болт с шестигранной головкой (под шестигранник) | 8 | ||
15 | S441-200006 | Шайба | 8 | ||
16 | S037-102056 | Болт барашек / шестигранная шайба | 6 | ||
17 | S411-100006 | Шайба пружинная | 8 | ||
18 | 81LN-30180 | Болт с шестигранной головкой (под шестигранник) | 8 | ||
2 | 81LP-30010 | Вал приводной (ведущий) (передний) | 1 | ||
2-1 | XKCP-00060 | Фланец вилки | 1 | ||
2-2 | XKCP-00014 | J / пеленг в сборе | 1 | ||
2-3 | XKCP-00061 | SUB ASSY | 1 | ||
2-4 | XKCP-00062 | FLANGE BEARING | 1 | ||
2-5 | XKCP-00063 | установочный винт | 1 | ||
2-6 | XKCP-00064 | Шайба | 1 | ||
2-7 | XKCP-00065 | LOCK NUT | 1 | ||
2-8 | XKCP-00066 | Фланец | 1 | ||
2-9 | XKCP-00023 | Масленка | 1 | ||
3 | 81LP-30020 | Вал приводной (ведущий) (центральный) | 1 | ||
3-1 | XKCP-00067 | J/BEARING ASSY | 2 | ||
3-2 | XKCP-00068 | SLEEVE YOKE | 1 |
CHANGE WITH 3-4
|
|
3-3 | XKCP-00069 | JOINT SEAL | 1 | ||
3-4 | XKCP-00070 | SUB ASSY | 1 | ||
3-5 | XKCP-00022 | Масленка | 2 | ||
3-6 | XKCP-00071 | PLUG-EXP | 1 | ||
3-7 | XKCP-00072 | Болт | 8 | ||
3-8 | XKCP-00003 | Масленка | 1 | ||
4 | 81LP-30030 | Вал приводной (ведущий) (задний) | 1 | ||
4-1 | XKCP-00072 | Болт | 8 | ||
4-10 | XKCP-00023 | Масленка | 1 | ||
4-11 | XKCP-00003 | Масленка | 1 | ||
4-2 | XKCP-00067 | J/BEARING ASSY | 1 | ||
4-3 | XKCP-00073 | SLEEVE YOKE | 1 | ||
4-4 | XKCP-00022 | Масленка | 1 | ||
4-5 | XKCP-00069 | JOINT SEAL | 1 | ||
4-6 | XKCP-00074 | Вилка вала | 1 | ||
4-7 | XKCP-00014 | J / пеленг в сборе | 1 | ||
4-8 | XKCP-00075 | PLUG-EXP | 1 | ||
4-9 | XKCP-00060 | Фланец вилки | 1 | ||
5 | 81LP-30040 | Вал приводной (ведущий) (верхний) | 1 | ||
5-1 | XKCP-00076 | J/BEARING ASSY | 2 | ||
5-2 | XKCP-00077 | SLEEVE YOKE | 1 | ||
5-3 | XKCP-00078 | Вилка вала | 1 | ||
5-4 | XKCP-00022 | Масленка | 1 | ||
5-5 | XKCP-00069 | JOINT SEAL | 1 | ||
5-6 | XKCP-00079 | PLUG-EXP | 1 | ||
5-7 | XKCP-00072 | Болт | 8 | ||
5-8 | XKCP-00003 | Масленка | 2 | ||
6 | 81LP-30050 | кронштейн ва | 1 | ||
7 | 81LP-30060 | COVER-F/HOUSING | 1 | ||
8 | S088-060286 | Болт с шестигранной головкой (под шестигранник) | 20 | ||
8 | S088-060286 | Болт с шестигранной головкой (под шестигранник) | 12 | ||
9 | S017-20060D | Болт с шестигранной головкой (под шестигранник) | 4 |