ENGINE ELECTRIC фронтального погрузчика колесного Hyundai HL740-7S
ENGINE ELECTRIC фронтального погрузчика колесного Hyundai HL740-7S со списком деталей и комплектацией. Каждую деталь можно приобрести в наличии и под заказ с дотавкой по всей России
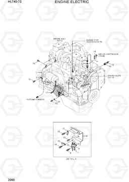
Код подсистемы:2060
Наименование:ENGINE ELECTRIC
Версия:
ENGINE ELECTRIC HL740-7S

Поз. | Код | Наименование | Кол | Прим. | |
---|---|---|---|---|---|
1 | 21LF-70411 | Проводка двигателя (ДВС) | 1 | ||
10 | S037-122056 | Болт | 5 | ||
11 | S285-06100B | гайка с фланцем | 2 | ||
12 | 21EA-50260 | упаковка температура SW | 1 | ||
13 | S131-041046 | SCREW-W/WASHER | 2 | ||
14 | 21N4-01130 | плита клип | 1 | ||
15 | 31L7-10350 | Зажим | 3 | ||
16 | S037-102026 | Болт | 3 | ||
17 | 21LB-34720 | EARTH STRAP | 1 | ||
18 | 21E3-5001 | Переключатель ENG давление масла | 1 | ||
19 | 21N7-10070 | Адаптер датчика давления масла двигателя | 1 | ||
2 | 21EN-40100 | Отправитель температура | 1 | ||
20 | S431-120002 | Стопорная шайба (кольцо), внутренние зубья | 1 | ||
3 | 31L7-10190 | Зажим трубки | 3 | ||
4 | 21EA-50171 | Место температура SW | 1 | ||
5 | 21LC-40090 | кабель (Alt земля) | 1 | ||
6 | 21LF-04010 | Пластина | 1 | ||
8 | S035-061526 | Болт | 2 | ||
9 | 21N6-30120 | пусковое реле | 1 |