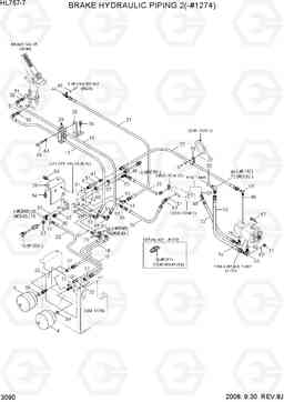
BRAKE HYDRAULIC PIPING 2(-#1274) фронтального погрузчика колесного Hyundai HL757-7
BRAKE HYDRAULIC PIPING 2(-#1274) фронтального погрузчика колесного Hyundai HL757-7 со списком деталей и комплектацией. Каждую деталь можно приобрести в наличии и под заказ с дотавкой по всей России
Код подсистемы:3090
Наименование:BRAKE HYDRAULIC PIPING 2(-#1274)
Версия:2008. 4.30 REV.8D
BRAKE HYDRAULIC PIPING 2(-#1274) HL757-7

Поз. | Код | Наименование | Кол | Прим. | |
---|---|---|---|---|---|
10 | 31L1-0095 | Датчик давления (переключатель, реле) | 1 |
CHARGING
|
|
10 | 31L1-0095 | Датчик давления (переключатель, реле) | 2 |
CHARGING/PARK
|
|
10 | 31LF-00500 | Датчик давления (переключатель, реле) | 2 |
CHARGING/PARK
|
|
12 | P610-162012 | HOSE ASSY-THD 0X45 | 1 | ||
12 | P600-162012 | HOSE ASSY-THD 0X0 | 1 | ||
12 | P600-162014 | HOSE ASSY-THD 0X0 | 1 | ||
16 | P620-064022 | Шланг в сборе | 1 | ||
17 | P620-064021 | Шланг в сборе | 1 | ||
18 | P610-064018 | HOSE ASSY-THD 0X45 | 1 | ||
18 | P920-064018 | Шланг в сборе | 1 | ||
19 | P610-064017 | HOSE ASSY-THD 0X45 | 1 | ||
19 | P920-064017 | Шланг в сборе | 1 | ||
20 | P600-064018 | HOSE ASSY-THD 0X0 | 1 | ||
20 | P910-064018 | Шланг в сборе | 1 | ||
21 | P600-044039 | HOSE ASSY-THD 0X0 | 1 | ||
21 | P600-044040 | HOSE ASSY-THD 0X0 | 1 | ||
22 | P600-084037 | HOSE ASSY-THD 0X0 | 1 | ||
23 | P620-082016 | Шланг в сборе | 1 | ||
24 | P600-062017 | HOSE ASSY-THD 0X0 | 1 | ||
25 | 31LB-40060 | Пластина | 1 | ||
26 | 31LB-40070 | Пластина | 1 | ||
29 | 31LB-40130 | Зажим | 5 | ||
32 | 31LB-40150 | CONNECTOR ASSY | 1 | ||
32 | 31LB-40400 | Соединитель | 1 | ||
33 | 31LB-40160 | CONNECTOR ASSY | 2 | ||
33 | 31LB-40410 | Соединитель | 2 | ||
36 | P010-110003 | Соединитель | 5 | ||
36 | P010-110003 | Соединитель | 3 |
ONE PEDAL
|
|
36 | P010-110003 | Соединитель | 1 |
DUAL PEDAL
|
|
38 | P020-110002 | Колено 90 | 1 | ||
4 | 81L1-0003 | Гидроаккумулятор | 1 |
CHARGING
|
|
40 | P020-110005 | Колено 90 | 1 | ||
40 | P030-110005 | Штуцер -90 | 1 | ||
40 | P030-110018 | Штуцер -90 | 1 | ||
41 | P020-110012 | Колено 90 | 1 | ||
42 | S109-100256 | Болт с шестигранной головкой (под шестигранник) | 2 | ||
43 | P020-310006 | Колено 90 | 1 | ||
44 | P020-310001 | Колено 90 | 1 | ||
45 | P020-310012 | Колено 90 | 1 | ||
45 | 31LC-40190 | Колено 90 | 1 | ||
46 | P020-110003 | Колено 90 | 1 | ||
47 | P010-110014 | Соединитель | 1 | ||
48 | S611-019001 | Кольцо уплотнительное (О-кольцо) | 1 | ||
49 | S611-009001 | Кольцо уплотнительное (О-кольцо) | 1 | ||
5 | 81L1-0004 | Гидроаккумулятор | 2 |
SERVICE BRAKE
|
|
50 | S611-030001 | Кольцо уплотнительное (О-кольцо) | 1 | ||
51 | S631-014004 | Кольцо уплотнительное (О-кольцо) | 12 | ||
52 | S631-018004 | Кольцо уплотнительное (О-кольцо) | 1 | ||
53 | S631-029004 | Кольцо уплотнительное (О-кольцо) | 1 | ||
54 | S037-122552 | Болт | 5 | ||
57 | P392-12000 | WASHER-COPPER | 2 | ||
58 | P392-180000 | Шайба медная | 2 | ||
59 | P392-220000 | Шайба медная | 1 | ||
6 | 31L1-0139 | Фильтр пилотный в сборе, гидравлики | 1 | ||
62 | S631-011004 | Кольцо уплотнительное (О-кольцо) | 1 | ||
62 | S631-011004 | Кольцо уплотнительное (О-кольцо) | 3 | ||
64 | S441-100002 | Шайба | 2 | ||
66 | S017-100702 | Болт с шестигранной головкой (под шестигранник) | 2 | ||
69 | P030-110002 | Штуцер -90 | 3 | ||
71 | P220-110102 | Заглушка | 1 | ||
72 | P020-110005 | Колено 90 | 1 | ||
73 | P600-122010 | HOSE ASSY-THD 0X0 | 1 | ||
74 | P020-310009 | Колено 90 | 1 | ||
75 | S611-023001 | Кольцо уплотнительное (О-кольцо) | 1 | ||
76 | X520-110002 | Штуцер 90 orfs | 1 | ||
77 | S621-012001 | Кольцо уплотнительное (О-кольцо) | 6 | ||
78 | X500-110002 | Разъем | 2 | ||
79 | S543-240002 | Зажим трубки | 1 | ||
8 | 31M6-51310 | Датчик давления (переключатель, реле) | 1 |
PARKING
|
|
80 | 31LG-40050 | Адаптер | 2 |