AIRCON & HEATER MOUNTING фронтального погрузчика колесного Hyundai HL760-9S
AIRCON & HEATER MOUNTING фронтального погрузчика колесного Hyundai HL760-9S со списком деталей и комплектацией. Каждую деталь можно приобрести в наличии и под заказ с дотавкой по всей России
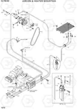
Код подсистемы:1070
Наименование:AIRCON & HEATER MOUNTING
Версия:
AIRCON & HEATER MOUNTING HL760-9S

Поз. | Код | Наименование | Кол | Прим. | |
---|---|---|---|---|---|
1 | 11Q6-90040 | Компрессор | 1 | ||
10 | 11LF-95110 | Вставка | 4 | ||
11 | 11LN-90250 | шланг отопителя | 1 | ||
12 | 11LQ-90251 | шланг отопителя | 1 | ||
13 | 11L7-90150 | клапан нагревателя | 2 | ||
14 | S107-081306 | Болт с шестигранной головкой (под шестигранник) | 4 | ||
15 | S681-460400 | Уплотнительная втулка | 1 | ||
16 | S285-06100B | гайка с фланцем | 4 | ||
16 | S285-06100B | гайка с фланцем | 2 | ||
17 | S037-102526 | Болт | 3 | ||
18 | S520-027000 | Зажим | 4 | ||
19 | S037-101556 | Болт барашек / шестигранная шайба | 1 | ||
2 | 11LM-90200 | Конденсатор в сборе | 1 | ||
20 | S403-08200B | Плоская шайба | 4 | ||
21 | S035-082556 | Болт | 4 | ||
22 | S035-083026 | Болт | 1 | ||
23 | S035-061526 | Болт | 2 | ||
24 | S035-063026 | Болт | 1 | ||
25 | S018-100356 | Болт с шестигранной головкой (под шестигранник) | 1 | ||
26 | S411-100006 | Шайба пружинная | 1 | ||
27 | S403-10200B | Плоская шайба | 1 | ||
28 | 31L7-10250 | Зажим трубки, Ins одного | 1 | ||
3 | 11LN-90100 | сушилка приемник в сборе | 1 | ||
3-1 | 11N6-90060 | сушилка приемник | 1 | ||
3-2 | 11N6-90120 | Кронштейн R / сушилка | 1 | ||
4 | 11N6-90110 | холостым шкивом | 1 | ||
4-1 | A4760-508-00-2 | кронштейн шкива | 1 | ||
4-2 | A4700-511-01-2 | холостым шкивом | 1 |
INCL 4-3
|
|
4-3 | A8900-518-03-3 | стяжной болт | 1 | ||
5 | 11LL-95030 | шланг в сборе всасывания | 1 | ||
5-1 | A304300401Z4 | крышка заправочный клапан л | 1 | ||
5-2 | A305000203-2 | Кольцо уплотнительное (О-кольцо) | 1 | ||
6 | 11LL-95040 | Сливной шланг | 1 | ||
6-1 | A304300401Z4 | крышка заправочный клапан л | 1 | ||
6-2 | A305000205-2 | Кольцо уплотнительное (О-кольцо) | 1 | ||
7 | 11LL-95050 | Шланг жидкости (а) | 1 | ||
7-1 | A305000209-2 | Кольцо уплотнительное (О-кольцо) | 1 | ||
8 | 11LL-90322 | Шланг жидкости (б) | 1 | ||
8-1 | A305000209-2 | Кольцо уплотнительное (О-кольцо) | 2 | ||
9 | 11LL-91440 | Ремень клиновой (приводной) | 1 |