Система установка двигателя и впуска воздуха погрузчика на сжиженном газе Hyundai HLF15/18CIII
Система установка двигателя и впуска воздуха погрузчика на сжиженном газе Hyundai HLF15/18CIII со списком деталей и комплектацией. Каждую деталь можно приобрести в наличии и под заказ с дотавкой по всей России
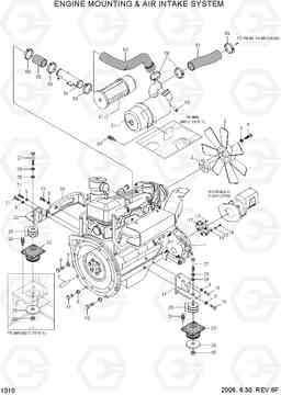
Код подсистемы:1010
Наименование:ENGINE MOUNTING & AIR INTAKE SYSTEM
Версия:2006. 6.30 REV.6F
ENGINE MOUNTING & AIR INTAKE SYSTEM HLF15/18CIII
| Поз. | Код | Наименование | Кол | Прим. | |
|---|---|---|---|---|---|
| 1 | F21200030 | Двигатель в сборе (NON-EMISSION) | 1 | ||
| 10 | S018-100352 | Болт с шестигранной головкой (под шестигранник) | 6 | ||
| 11 | S015-080152 | Болт с шестигранной головкой (под шестигранник) | 8 | ||
| 12 | F23600271 | Муфта соединительная | 1 |
HLF15C-3
|
|
| 12 | F23600272 | Муфта соединительная | 1 |
HLF15C-3
|
|
| 12 | F23600271 | Муфта соединительная | 1 |
HLF18C-3
|
|
| 12 | F23600272 | Муфта соединительная | 1 |
HLF18C-3
|
|
| 13 | F23600260 | Палец для зуба ковша | 2 | ||
| 14 | S015-080352 | Болт с шестигранной головкой (под шестигранник) | 4 | ||
| 15 | F23600280 | специальная шайба | 4 | ||
| 16 | F23600290 | резинок | 4 | ||
| 17 | F21210060 | BRACKET-ENG MTG,LH | 1 | ||
| 18 | S018-100252 | Болт с шестигранной головкой (под шестигранник) | 2 | ||
| 19 | S015-080252 | Болт с шестигранной головкой (под шестигранник) | 1 | ||
| 2 | F23231800 | Вентилятор системы охлаждения | 1 | ||
| 20 | F53210031 | BRACKET-ENG MTG,RH | 1 | ||
| 21 | S018-100552 | Болт с шестигранной головкой (под шестигранник) | 4 | ||
| 22 | F53210041 | BRACKET-ENG MTG,RH | 1 | ||
| 23 | ED07020000-01 | CUSHION-ENG | 2 | ||
| 24 | S035-082022 | Болт | 8 | ||
| 25 | F31330010 | Прокладка регулировочная | 6 | ||
| 26 | FDE0100110 | машина перегрузки | 2 | ||
| 27 | S017-161102 | Болт с шестигранной головкой (под шестигранник) | 2 | ||
| 28 | S403-161002 | Плоская шайба | 2 | ||
| 29 | S411-160002 | Шайба пружинная | 2 | ||
| 3 | F21230700 | SPACER-FAN | 1 | ||
| 30 | FBC0100300 | U гайка | 2 | ||
| 4 | S015-080302 | Болт с шестигранной головкой (под шестигранник) | 4 | ||
| 5 | S411-080002 | Шайба пружинная | 13 | ||
| 51 | F31210030 | AIR CLEANER ASS'Y | 1 | ||
| 51-1 | F31210100 | HOUSING-AIRCLEANER | 1 | ||
| 51-2 | FHC0103202 | ELEMENT-AIR CLEANER | 1 | ||
| 52 | F31210011 | HOSE-AIR SUCTION | 1 | ||
| 53 | F31210021 | HOSE-AIR INTAKE | 1 | ||
| 54 | F23211071 | Трубка | 1 | ||
| 55 | F23211060 | Шланг | 1 | ||
| 56 | S520-070000 | Зажим | 6 | ||
| 59 | 330003050 | SENSOR-AIR CLEANER | 1 | ||
| 60 | S035-081522 | Болт | 2 | ||
| 7 | S510-122800 | Палец для зуба ковша | 2 | ||
| 8 | S018-100302 | Болт с шестигранной головкой (под шестигранник) | 1 | ||
| 9 | S411-100002 | Шайба пружинная | 13 |

