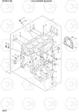
Блок цилиндров экскаватора гусеничного Hyundai R140LC-9A
Блок цилиндров экскаватора гусеничного Hyundai R140LC-9A со списком деталей и комплектацией. Каждую деталь можно приобрести в наличии и под заказ с дотавкой по всей России
Код подсистемы:9010
Наименование:CYLINDER BLOCK
Версия:
CYLINDER BLOCK R140LC-9A

Поз. | Код | Наименование | Кол | Прим. | |
---|---|---|---|---|---|
1 | @ | CYL BLOCK ASSY | 1 | ||
10 | ZUAC-00007 | Пробка (заглушка) | 2 | ||
11 | ZUAC-00008 | Пробка (заглушка) | 1 | ||
12 | ZUAC-00008 | Пробка (заглушка) | 1 | ||
13 | ZUAC-00008 | Пробка (заглушка) | 1 | ||
14 | ZUAC-00315 | Пробка (заглушка) | 3 | ||
15 | ZUAC-00315 | Пробка (заглушка) | 1 | ||
16 | ZUAC-00315 | Пробка (заглушка) | 1 | ||
17 | ZUAC-00010 | Пробка (заглушка) | 1 | ||
18 | ZUAC-00005 | Пробка (заглушка) | 4 | ||
19 | ZUAC-00005 | Пробка (заглушка) | 1 | ||
20 | ZUAC-00005 | Пробка (заглушка) | 4 | ||
21 | ZUAC-00005 | Пробка (заглушка) | 4 | ||
22 | ZUAC-00006 | Пробка (заглушка) | 1 | ||
23 | ZUAC-00011 | DOWEL | 2 | ||
24 | ZUAC-00049 | Пробка (заглушка) | 1 | ||
25 | ZUAC-00316 | Кольцо | 1 | ||
26 | ZUAC-00049 | Пробка (заглушка) | 1 | ||
27 | ZUAC-00050 | Кольцо | 1 | ||
28 | ZUAC-00035 | SEAL-REOS HOUSING | 1 | ||
29 | ZUAC-00036 | BOLT-METRIC | 10 | ||
3 | @ | BLOCK-CYL | 1 | ||
30 | ZUAC-00317 | DOWEL | 1 | ||
4 | @ | CAP-BEARING | 3 | ||
5 | @ | CAP-BEARING | 1 | ||
6 | @ | CAP-BEARING | 1 | ||
7 | ZUAC-00002 | THIMBLE | 10 | ||
8 | ZUAC-00003 | Болт | 10 | ||
9 | ZUAC-00314 | Втулка распредвала | 1 |