Масляный радиатор экскаватора колесного Hyundai R140W-7A
Масляный радиатор экскаватора колесного Hyundai R140W-7A со списком деталей и комплектацией. Каждую деталь можно приобрести в наличии и под заказ с дотавкой по всей России
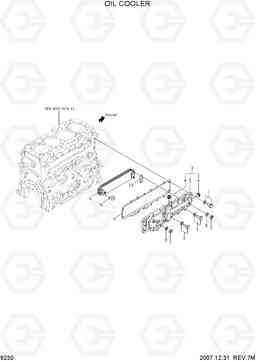
Код подсистемы:9230
Наименование:OIL COOLER
Версия:2007.12.31 REV.7M
OIL COOLER R140W-7A

Поз. | Код | Наименование | Кол | Прим. | |
---|---|---|---|---|---|
1 | XJAF-02313 | Болт | 3 | ||
10 | XJAF-00382 | прокладка O / C элемент | 2 | ||
2 | XJAF-02359 | Болт | 9 | ||
3 | XJAF-02360 | COVER ASSY кулер | 1 | ||
4 | XJAF-01152 | подключите конические | 2 | ||
5 | @ | COVER-OIL COOLER | 1 | ||
6 | XJAF-02361 | Элемент масляного охлаждения | 1 | ||
7 | XJAF-00380 | Гайка | 4 | ||
8 | XJAF-00255 | Шайба пружинная | 4 | ||
9 | XJAF-00381 | Прокладка масляного радиатора | 1 |