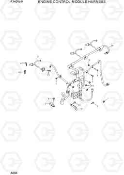
ENGINE CONTROL MODULE HARNESS экскаватора колесного Hyundai R140W-9
ENGINE CONTROL MODULE HARNESS экскаватора колесного Hyundai R140W-9 со списком деталей и комплектацией. Каждую деталь можно приобрести в наличии и под заказ с дотавкой по всей России
Код подсистемы:A600
Наименование:ENGINE CONTROL MODULE HARNESS
Версия:
ENGINE CONTROL MODULE HARNESS R140W-9

Поз. | Код | Наименование | Кол | Прим. | |
---|---|---|---|---|---|
1 | XKDE-00321 | Гайка | 3 |
WR9336-01
|
|
10 | XKDE-01375 | Винт шестигранник | 2 | ||
11 | XKDE-00299 | Гайка | 3 | ||
12 | XKDE-00062 | Винт шестигранник | 3 | ||
13 | XKDE-01460 | Втулка | 3 | ||
14 | XKDE-01129 | HARNESS-ECM WIRING | 1 | ||
15 | XKDE-00930 | CLIP-WIRE RETAINING | 3 | ||
16 | XKDE-00885 | BRACE-WIRING | 2 | ||
2 | XKDE-00073 | Винт шестигранник | 2 | ||
3 | XKDE-01384 | Винт шестигранник | 1 | ||
4 | XKDE-00469 | Винт шестигранник | 3 | ||
5 | XKDE-01130 | HARNESS-WIRING | 3 | ||
6 | XKDE-00429 | CLIP-WIRE RETAINING | 6 | ||
7 | XKDE-00923 | Скоба (хомут) | 1 | ||
8 | XKDE-00448 | Винт шестигранник | 1 | ||
9 | XKDE-01385 | Винт шестигранник | 2 |