Установка отопителя и кондиционера кабины экскаватора гусеничного Hyundai R160LC-7A
Установка отопителя и кондиционера кабины экскаватора гусеничного Hyundai R160LC-7A со списком деталей и комплектацией. Каждую деталь можно приобрести в наличии и под заказ с дотавкой по всей России
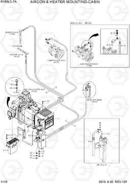
Код подсистемы:1110
Наименование:AIRCON & HEATER MOUNTING-CABIN
Версия:2010. 6.30 REV.10F
AIRCON & HEATER MOUNTING-CABIN R160LC-7A

Поз. | Код | Наименование | Кол | Прим. | |
---|---|---|---|---|---|
1 | @ | AIRCON & HEATER UNIT | 1 |
SEE 1160
|
|
10 | S403-06100B | Плоская шайба | 1 | ||
11 | S205-081006 | Гайка | 1 | ||
12 | S411-080006 | Шайба пружинная | 1 | ||
13 | S403-08100B | Плоская шайба | 1 | ||
14 | S179-050206 | Винт (торцевой ключ) | 4 | ||
15 | S403-05200B | Плоская шайба | 4 | ||
16 | 11EK-92090 | Сливной шланг | 1 | ||
17 | S520-020000 | Зажим | 1 | ||
18 | S572-220006 | Зажим | 2 | ||
19 | S441-120006 | Шайба | 4 | ||
2 | 11N6-90031 | управления в сборе | 1 |
STD AC & HT
|
|
2 | 11N6-90430 | управления в сборе | 1 |
AUTO AC & HT
|
|
20 | 73NB-56400 | Регулировочная прокладка | 4 | ||
21 | S151-040126 | SCREW-TAPPING | 4 | ||
3 | 11N4-90100 | HOSE-SUCTION | 1 | ||
3 | 11N4-90101 | HOSE-SUCTION | 1 | ||
3-1 | A304000401-4 | Клапан заряд в сборе, л | 1 | ||
3-2 | A310069299-2 | Кольцо уплотнительное (О-кольцо) | 2 | ||
4 | 11N5-90090 | HOSE(B)-LIQUID | 1 | ||
4-1 | A305000209-2 | Кольцо уплотнительное (О-кольцо) | 2 | ||
5 | 11N8-92310 | шланг отопителя | 1 | ||
6 | 11EK-92070 | шланг отопителя | 1 | ||
7 | S017-120256 | Болт с шестигранной головкой (под шестигранник) | 4 | ||
8 | S205-061006 | Гайка | 1 | ||
9 | S411-060006 | Шайба пружинная | 1 |