QUICK CLAMP(HOOK TYPE) экскаватора гусеничного Hyundai R160LC-7A
QUICK CLAMP(HOOK TYPE) экскаватора гусеничного Hyundai R160LC-7A со списком деталей и комплектацией. Каждую деталь можно приобрести в наличии и под заказ с дотавкой по всей России
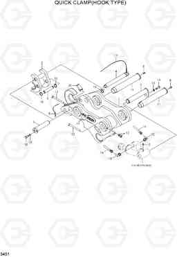
Код подсистемы:3451
Наименование:QUICK CLAMP(HOOK TYPE)
Версия:
QUICK CLAMP(HOOK TYPE) R160LC-7A

Поз. | Код | Наименование | Кол | Прим. | |
---|---|---|---|---|---|
* | 31N5-95810 | QUICK CLAMP ASSY | 1 |
HOOK TYPE
|
|
1 | XKBN-00101 | BODY-HOOK TYPE | 1 | ||
10 | XKBN-00109 | Кольцо стопорное | 4 | ||
11 | XKBN-00110 | контактный кронштейн | 2 | ||
12 | XKBN-00190 | Болт с шестигранной головкой (под шестигранник) | 2 | ||
13 | XKBN-00196 | Гайка | 4 | ||
14 | XKBN-00112 | Шланг защитник | 2 | ||
15 | XKBN-00016 | Колено 90 | 2 | ||
16 | XKBN-00113 | LOCKER | 1 | ||
17 | XKBN-00083 | WIRE ASSY | 1 | ||
18 | XKBN-00114 | Болт с шестигранной головкой (под шестигранник) | 2 | ||
19 | XKBN-00115 | Шайба пружинная | 2 | ||
2 | XKBN-00102 | HITCH | 1 | ||
20 | XKBN-00116 | защелки и пружины | 1 | ||
4 | XKBN-00104 | предохранительный штифт | 1 | ||
5 | XKBN-00195 | PIN-SNAP | 1 | ||
6 | XKBN-00106 | PIN-HITCH | 1 | ||
7 | XKBN-00107 | PIN-FRAME | 2 | ||
8 | XKBN-00009 | Масленка | 3 | ||
9 | XKBN-00108 | Палец гидроцилиндра | 1 |