4-OUTRIGGER PIPING 2(INDEPENDENT,#0587-) экскаватора колесного Hyundai R200W-7
4-OUTRIGGER PIPING 2(INDEPENDENT,#0587-) экскаватора колесного Hyundai R200W-7 со списком деталей и комплектацией. Каждую деталь можно приобрести в наличии и под заказ с дотавкой по всей России
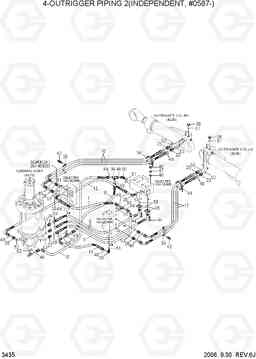
Код подсистемы:3435
Наименование:4-OUTRIGGER PIPING 2(INDEPENDENT,#0587-)
Версия:2006. 9.30 REV.6J
4-OUTRIGGER PIPING 2(INDEPENDENT,#0587-) R200W-7

Поз. | Код | Наименование | Кол | Прим. | |
---|---|---|---|---|---|
* | @ | 4-OUTRIGGER PIPING 1 | 1 | ||
10 | P923-042027 | Шланг в сборе | 1 | ||
11 | P933-042008 | Шланг в сборе | 1 | ||
12 | P933-042035 | Шланг в сборе | 1 | ||
17 | P933-067025 | Шланг в сборе | 2 | ||
18 | P933-067027 | Шланг в сборе | 2 | ||
23 | X500-110002 | Разъем | 5 | ||
24 | X500-110003 | Разъем | 2 | ||
25 | X500-110013 | Разъем | 1 | ||
26 | X500-110015 | Разъем | 4 | ||
26 | X500-110015 | Разъем | 2 | ||
27 | 31N6-70520 | Соединитель | 1 | ||
28 | X520-110001 | Штуцер 90 orfs | 3 | ||
30 | X530-110001 | Штуцер | 1 | ||
33 | X810-045151 | Тройник б / тип, ORFS | 2 | ||
34 | X840-515151 | Переходник | 1 | ||
35 | P173-160104 | фланец гидрокси, сплит | 4 | ||
36 | P220-110102 | Заглушка | 4 | ||
39 | 31EM-45320 | Зажим | 2 | ||
42 | S037-102026 | Болт | 4 | ||
44 | S109-101306 | Болт с шестигранной головкой (под шестигранник) | 8 | ||
45 | S205-101006 | Гайка | 8 | ||
46 | S403-101006 | Плоская шайба | 8 | ||
47 | S411-100006 | Шайба пружинная | 7 | ||
48 | S621-011001 | Кольцо уплотнительное (О-кольцо) | 12 | ||
49 | S621-012001 | Кольцо уплотнительное (О-кольцо) | 10 | ||
50 | S621-014001 | Кольцо уплотнительное (О-кольцо) | 2 | ||
51 | S631-011004 | Кольцо уплотнительное (О-кольцо) | 10 | ||
52 | S631-014004 | Кольцо уплотнительное (О-кольцо) | 6 | ||
53 | S631-018004 | Кольцо уплотнительное (О-кольцо) | 6 | ||
54 | S552-102370 | Зажим | 25 | ||
55 | Y171-024004 | Кольцо уплотнительное (О-кольцо) | 2 | ||
56 | X511-108523 | Соединитель | 2 | ||
6 | 31N6-70150 | Рукав высокого давления (РВД) | 2 | ||
7 | P923-042009 | Шланг в сборе | 1 | ||
8 | P923-042014 | Шланг в сборе | 1 | ||
9 | P923-042021 | Шланг в сборе | 1 |