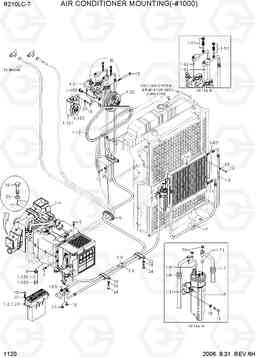
AIR CONDITIONER MOUNTING(-#1000) экскаватора гусеничного Hyundai R210LC-7
AIR CONDITIONER MOUNTING(-#1000) экскаватора гусеничного Hyundai R210LC-7 со списком деталей и комплектацией. Каждую деталь можно приобрести в наличии и под заказ с дотавкой по всей России
Код подсистемы:1120
Наименование:AIR CONDITIONER MOUNTING(-#1000)
Версия:2006. 8.31 REV.6H
AIR CONDITIONER MOUNTING(-#1000) R210LC-7

Поз. | Код | Наименование | Кол | Прим. | |
---|---|---|---|---|---|
* | @ | AIR CONDITIONER MTG | 1 |
SEE 1125
|
|
1 | 11N6-90210 | AIR CON ASSY | 1 | ||
1-1 | 11N6-90220 | AIR CON UNIT | 1 | ||
1-10 | 11N6-90110 | холостым шкивом | 1 | ||
1-101 | A4760-508-00-2 | кронштейн шкива | 1 | ||
1-102 | A4700-511-01-2 | холостым шкивом | 1 | ||
1-103 | A8900-518-03-3 | стяжной болт | 1 | ||
1-11 | 11N6-90120 | Кронштейн R / сушилка | 1 | ||
1-12 | 12E2-3505 | Ремень клиновой (приводной) | 1 | ||
1-13 | 11EK-92090 | Сливной шланг | 1 | ||
1-131 | AM800-001-04-3 | Сливной шланг | 1 | ||
1-132 | 4CC-3354Z | Клапан вакуумный | 1 | ||
1-2 | 11N6-90030 | CONTROL ASSY | 1 | ||
1-21 | 11N6-90850 | Наклейка | 1 | ||
1-3 | 11N6-90040 | Компрессор | 1 | ||
1-31 | 11LF-90230 | THERMAL SW-COMP | 1 | ||
1-32 | A5W00153 | CLUTCH | 1 | ||
1-4 | 11EM-90050 | Конденсатор в сборе | 1 | ||
1-5 | 11N6-90060 | сушилка приемник | 1 | ||
1-6 | 11N6-90190 | HOSE-DISCHARGE | 1 | ||
1-61 | A304000301-4 | заправочный клапан в сборе, ч | 1 | ||
1-62 | A305000206-2 | Кольцо уплотнительное (О-кольцо) | 1 | ||
1-63 | A305000205-2 | Кольцо уплотнительное (О-кольцо) | 1 | ||
1-7 | 11N6-90080 | HOSE-LIQUID/A | 1 | ||
1-71 | A305000209-2 | Кольцо уплотнительное (О-кольцо) | 1 | ||
1-8 | 11N6-90090 | HOSE-LIQUID/B | 1 | ||
1-81 | A305000209-2 | Кольцо уплотнительное (О-кольцо) | 1 | ||
1-9 | 11N6-90100 | SUCTION HOSE | 1 | ||
1-91 | A304000401-4 | Клапан заряд в сборе, л | 1 | ||
1-92 | A310069299-2 | Кольцо уплотнительное (О-кольцо) | 1 | ||
1-93 | A305000203-2 | Кольцо уплотнительное (О-кольцо) | 1 | ||
10 | S179-050206 | Винт (торцевой ключ) | 4 | ||
11 | S015-060162 | Болт с шестигранной головкой (под шестигранник) | 2 | ||
12 | S015-080162 | Болт с шестигранной головкой (под шестигранник) | 4 | ||
13 | S017-100162 | Болт с шестигранной головкой (под шестигранник) | 4 | ||
14 | S017-120302 | Болт с шестигранной головкой (под шестигранник) | 4 | ||
15 | S105-080956 | Болт с шестигранной головкой (под шестигранник) | 3 | ||
16 | S203-061002 | Гайка | 3 | ||
17 | S203-081002 | Гайка | 1 | ||
18 | S403-062002 | Плоская шайба | 2 | ||
19 | S403-082002 | Плоская шайба | 6 | ||
20 | S403-102002 | Плоская шайба | 5 | ||
21 | S403-122002 | Плоская шайба | 4 | ||
22 | S403-052002 | Плоская шайба | 4 | ||
23 | S543-400002 | Зажим трубки | 3 | ||
24 | S015-080352 | Болт с шестигранной головкой (под шестигранник) | 2 | ||
6 | S760-041008 | Уплотнительная втулка | 1 | ||
7 | S152-040122 | SCREW-TAPPING | 4 | ||
9 | S520-015000 | Зажим | 1 | ||
N | @ | NOT INDIVIDUALLY SUPPLIED | AR |