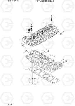
Головка блока цилиндров экскаватора гусеничного Hyundai R235LCR-9A
Головка блока цилиндров экскаватора гусеничного Hyundai R235LCR-9A со списком деталей и комплектацией. Каждую деталь можно приобрести в наличии и под заказ с дотавкой по всей России
Код подсистемы:9450
Наименование:CYLINDER HEAD
Версия:
CYLINDER HEAD R235LCR-9A

Поз. | Код | Наименование | Кол | Прим. | |
---|---|---|---|---|---|
* | 5272457NX | Головка блока цилиндров | 1 | ||
*-1 | 3802967 | Комплект выпускных клапанов | 12 | ||
*-2 | 3802924 | Комплект впускных клапанов | 12 | ||
1 | 3927063 | Винт шестигранник | 26 |
PP43098
|
|
10 | 5263672 | вилка | 11 | ||
12 | 3007632 | Дюбельная | 7 | ||
13 | 3945094 | Дюбельная | 2 | ||
14 | 3945095 | Дюбельная | 2 | ||
15 | 3943449 | Вкладыш | 12 |
STD
|
|
15 | 3939719 | Вкладыш | 1 |
0.127MM O/SIZE
|
|
15 | 3939720 | Вкладыш | 1 |
0.254MM O/SIZE
|
|
15 | 3939721 | Вкладыш | 1 |
0.508MM O/SIZE
|
|
16 | 3943450 | Вкладыш | 12 |
STD
|
|
16 | 3939723 | Вкладыш | 1 |
0.127MM O/SIZE
|
|
16 | 3939724 | Вкладыш | 1 |
0.254MM O/SIZE
|
|
16 | 3939725 | Вкладыш | 1 |
0.508MM O/SIZE
|
|
2 | 4932210 | Прокладка головки блока цилиндров | 1 | ||
3 | 3940123 | цанговый клапан | 2 | ||
3 | 3940123 | цанговый клапан | 2 | ||
6 | 4991571 | уплотнение штока клапана | 24 | ||
7 | 4936080 | Пружина клапана | 24 | ||
8 | 3943198 | RETAINER-VALVE SPRING | 24 | ||
N | @ | NOT SUPPLIED PARTS | AR | ||
N*-3 | 5282721 | Головка блока цилиндров | 1 | ||
N11 | 4983047 | Головка блока цилиндров | 1 | ||
N4 | 3940734 | Клапан выпускной | 1 | ||
N5 | 3940735 | Клапан впускной | 1 | ||
N9 | 3007635 | Дюбельная | 13 |