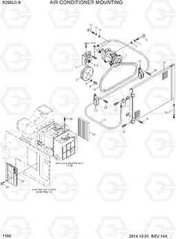
AIR CONDITIONER MOUNTING экскаватора гусеничного Hyundai R250LC-9
AIR CONDITIONER MOUNTING экскаватора гусеничного Hyundai R250LC-9 со списком деталей и комплектацией. Каждую деталь можно приобрести в наличии и под заказ с дотавкой по всей России
Код подсистемы:1100
Наименование:AIR CONDITIONER MOUNTING
Версия:2014.10.31 REV.14K
AIR CONDITIONER MOUNTING R250LC-9
| Поз. | Код | Наименование | Кол | Прим. | |
|---|---|---|---|---|---|
| 1 | 11Q6-90040 | Компрессор | 1 | ||
| 10 | 11N6-91130 | Ремень клиновой (приводной) | 1 | ||
| 10 | 11N6-90250 | Ремень клиновой (приводной) | 1 | ||
| 11 | 11Q8-90360 | Сливной шланг | 1 | ||
| 11-1 | A3050-002-05-2 | Кольцо уплотнительное (О-кольцо) | 1 | ||
| 12 | S018-100356 | Болт с шестигранной головкой (под шестигранник) | 1 | ||
| 13 | S411-100006 | Шайба пружинная | 1 | ||
| 14 | S403-10200B | Плоская шайба | 1 | ||
| 15 | 11Q6-90071 | конденсатор R / сушилка | 1 | ||
| 15-1 | A2W00701D | Турбина | 1 | ||
| 16 | S035-082526 | Болт | 4 | ||
| 17 | S035-083026 | Болт | 1 | ||
| 18 | S035-063526 | Болт | 1 | ||
| 2 | S109-080856 | Болт с шестигранной головкой (под шестигранник) | 3 | ||
| 23 | 11Q6-90240 | Фильтр REC | 1 | ||
| 24 | S091-060206 | Болт крыла | 3 | ||
| 25 | 11Q6-90510 | Фильтр кондиционера | 1 | ||
| 26 | S151-040126 | SCREW-TAPPING | 4 | ||
| 27 | 31L7-10230 | зажим | 2 | ||
| 28 | S037-101526 | Болт | 2 | ||
| 3 | S411-080006 | Шайба пружинная | 3 | ||
| 4 | S403-08200B | Плоская шайба | 3 | ||
| 5 | 11N6-90110 | холостым шкивом | 1 | ||
| 5-1 | A4760-508-00-2 | кронштейн шкива | 1 | ||
| 5-2 | A4700-511-01-2 | холостым шкивом | 1 | ||
| 5-3 | A8900-518-03-3 | стяжной болт | 1 | ||
| 6 | S037-102026 | Болт | 3 | ||
| 7 | 11N8-97101 | шкив кондиционера | 1 | ||
| 8 | S088-070166 | Болт с шестигранной головкой (под шестигранник) | 4 | ||
| 9 | S441-10000B | Шайба | 4 |

