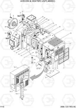
AIRCON & HEATER UNIT(-#0692) экскаватора гусеничного Hyundai R360LC-7
AIRCON & HEATER UNIT(-#0692) экскаватора гусеничного Hyundai R360LC-7 со списком деталей и комплектацией. Каждую деталь можно приобрести в наличии и под заказ с дотавкой по всей России
Код подсистемы:1110
Наименование:AIRCON & HEATER UNIT(-#0692)
Версия:2006. 3.31 REV.6C
AIRCON & HEATER UNIT(-#0692) R360LC-7

Поз. | Код | Наименование | Кол | Прим. | |
---|---|---|---|---|---|
* | 11N6-90020 | AIRCON & HEATER UNIT | 1 | ||
1 | AM12101400-0 | HVAC случае низкой | 1 | ||
10 | 11N6-90710 | двигательный акт отверстие | 1 | ||
11 | K500531 | Болт | 29 | ||
12 | AW70002300-4 | стержень отверстие | 1 | ||
13 | 11N6-90720 | MOTOR ACT-TEMP | 1 | ||
14 | 11N6-90730 | клапан в сборе воды | 1 | ||
15 | A165400100-2 | Канальный датчик | 1 | ||
16 | 4AH-0688 | Клип дело | 9 | ||
17 | AM13000203-2 | INTAKE CASE ASSY | 1 | ||
18 | 11N6-90740 | потребление двигательный акт | 1 | ||
19 | 11N6-90750 | резистор в сборе | 1 | ||
2 | AM11101601-0 | HVAC CASE-UPP | 1 | ||
2 | AH000089 | HVAC случае УПП | 1 | ||
20 | 11N6-90760 | воздушный фильтр свежий | 1 | ||
21 | 11N6-90770 | Обновить воздушный фильтр | 1 | ||
22 | K500533 | Болт | 2 | ||
23 | 3AH-0770 | Трубный зажим | 1 | ||
24 | A112050700-3 | стороны плиты | 1 | ||
25 | 11N6-90780 | HEATER CORE | 1 | ||
26 | 11N6-90790 | испарителя ядро в сборе | 1 | ||
26-1 | A111056400-1 | Ядро сборе Лами | 1 | ||
26-2 | A111750100-4 | Болт барашек / шестигранная шайба | 2 | ||
26-3 | 11N6-90800 | расширительный клапан | 1 | ||
26-4 | A305000212-2 | Кольцо уплотнительное (О-кольцо) | 3 | ||
26-5 | A305000211-2 | Кольцо уплотнительное (О-кольцо) | 1 | ||
26-6 | A112059600-2 | Трубка в сборе | 1 | ||
26-7 | A115004900-2 | изоляция | 1 | ||
27 | A306201301-3 | крышка фланца | 1 | ||
28 | 4AH-0929 | CLAMP ASSY-HOSE | 1 | ||
29 | 3AH-1007 | HOSE-WATER | 1 | ||
30 | 11N6-90810 | двигательный акт ноги / Def | 1 | ||
31 | 4AH-0643 | Держатель провода | 6 | ||
32 | 11N6-90820 | Реле | 2 | ||
33 | 11N6-90830 | проводка в сборе | 1 | ||
34 | A710051601-3 | Сливной шланг | 1 | ||
35 | AE73000400Z2 | PLATE-NAME | 1 | ||
36 | AM800-001-04-3 | Сливной шланг | 1 | ||
37 | 4CC-3354Z | Клапан вакуумный | 1 | ||
4 | AM75001000-2 | EVAC изоляции низкой | 1 | ||
5 | AM52300100-4 | потребление стержень | 1 | ||
6 | AW10001400-2 | BLOWER CASE ASSY | 1 | ||
7 | AW70002400-4 | стержень Def / фут | 1 | ||
8 | 11N6-90700 | Мотор отопителя и вентилятор | 1 | ||
8-1 | AW22000800-2 | Вентилятор | 1 | ||
8-2 | AW21002500-1 | MOTOR | 1 | ||
9 | 4AH-0886 | Болт | 3 |