PILOT HYD PIPING(CNTL 3, CLUSTER TYPE 2) экскаватора гусеничного Hyundai R380LC-9SH
PILOT HYD PIPING(CNTL 3, CLUSTER TYPE 2) экскаватора гусеничного Hyundai R380LC-9SH со списком деталей и комплектацией. Каждую деталь можно приобрести в наличии и под заказ с дотавкой по всей России
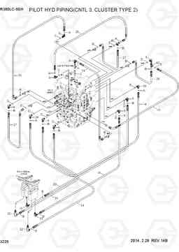
Код подсистемы:3225
Наименование:PILOT HYD PIPING(CNTL 3, CLUSTER TYPE 2)
Версия:2014. 2.28 REV.14B
PILOT HYD PIPING(CNTL 3, CLUSTER TYPE 2) R380LC-9SH

Поз. | Код | Наименование | Кол | Прим. | |
---|---|---|---|---|---|
10 | X520-110011 | Штуцер 90 orfs | 2 | ||
14 | X400-042022 | Шланг в сборе | 1 | ||
18 | X400-062067 | Шланг в сборе | 1 | ||
19 | X400-062077 | Шалнг | 1 | ||
20 | X400-062069 | шланг в сборе Synflex ORFS | 1 | ||
21 | X400-062079 | Шланг в сборе | 1 | ||
24 | X420-042010 | Шланг в сборе | 1 | ||
25 | X420-042027 | Шланг в сборе | 1 | ||
26 | X420-042025 | Шланг в сборе | 1 | ||
27 | X420-062009 | Шланг в сборе | 2 | ||
28 | X420-062014 | Шланг в сборе | 1 | ||
32 | 31N7-22100 | Колено 90, ORFS, долго | 2 | ||
39 | X520-110012 | Штуцер 90 orfs | 2 | ||
40 | X820-065251 | Тройник | 1 | ||
41 | P930-042014 | Шланг в сборе | 1 |
MCV TYPE 4
|
|
42 | X840-525152 | Переходник | 1 |
MCV TYPE 4
|
|
6 | X520-110001 | Штуцер 90 orfs | 3 | ||
9 | X520-110002 | Штуцер 90 orfs | 6 | ||
A | S621-011001 | Кольцо уплотнительное (О-кольцо) | 7 | ||
B | S621-012001 | Кольцо уплотнительное (О-кольцо) | 15 | ||
C | S631-011004 | Кольцо уплотнительное (О-кольцо) | 3 | ||
D | S631-014004 | Кольцо уплотнительное (О-кольцо) | 9 |