Отопитель (-#0514) экскаватора гусеничного Hyundai R450LC-7
Отопитель (-#0514) экскаватора гусеничного Hyundai R450LC-7 со списком деталей и комплектацией. Каждую деталь можно приобрести в наличии и под заказ с дотавкой по всей России
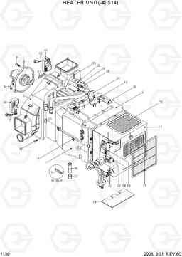
Код подсистемы:1130
Наименование:HEATER UNIT(-#0514)
Версия:2006. 3.31 REV.6C
HEATER UNIT(-#0514) R450LC-7

Поз. | Код | Наименование | Кол | Прим. | |
---|---|---|---|---|---|
* | 11N6-90320 | Отопитель | 1 | ||
1 | AM12101400-0 | HVAC случае низкой | 1 | ||
10 | 11N6-90710 | двигательный акт отверстие | 1 | ||
11 | K500531 | Болт | 29 | ||
12 | AW70002300-4 | стержень отверстие | 1 | ||
13 | 11N6-90720 | MOTOR ACT-TEMP | 1 | ||
14 | 11N6-90730 | клапан в сборе воды | 1 | ||
16 | 4AH-0688 | Клип дело | 9 | ||
17 | AM13000203-2 | INTAKE CASE ASSY | 1 | ||
18 | 11N6-90740 | потребление двигательный акт | 1 | ||
19 | 11N6-90750 | резистор в сборе | 1 | ||
2 | AM11101601-0 | HVAC CASE-UPP | 1 | ||
2 | AH000089 | HVAC случае УПП | 1 | ||
20 | 11N6-90760 | воздушный фильтр свежий | 1 | ||
21 | 11N6-90770 | Обновить воздушный фильтр | 1 | ||
22 | K500533 | Болт | 2 | ||
23 | 3AH-0770 | Трубный зажим | 1 | ||
24 | A112050700-3 | стороны плиты | 1 | ||
25 | 11N6-90780 | HEATER CORE | 1 | ||
28 | 4AH-0929 | CLAMP ASSY-HOSE | 1 | ||
29 | 3AH-1007 | HOSE-WATER | 1 | ||
30 | 11N6-90810 | двигательный акт ноги / Def | 1 | ||
31 | 4AH-0643 | Держатель провода | 6 | ||
32 | 11N6-90820 | Реле | 2 | ||
33 | 11N6-90830 | проводка в сборе | 1 | ||
34 | A710051601-3 | Сливной шланг | 1 | ||
35 | AE73000400Z2 | PLATE-NAME | 1 | ||
5 | AM52300100-4 | потребление стержень | 1 | ||
6 | AW10001400-2 | BLOWER CASE ASSY | 1 | ||
7 | AW70002400-4 | стержень Def / фут | 1 | ||
8 | 11N6-90700 | Мотор отопителя и вентилятор | 1 | ||
8-1 | AW22000800-2 | Вентилятор | 1 | ||
8-2 | AW21002500-1 | MOTOR | 1 | ||
9 | 4AH-0886 | Болт | 3 |