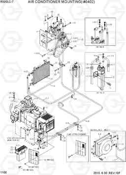
AIR CONDITIONER MOUNTING(-#0402) экскаватора гусеничного Hyundai R500LC-7
AIR CONDITIONER MOUNTING(-#0402) экскаватора гусеничного Hyundai R500LC-7 со списком деталей и комплектацией. Каждую деталь можно приобрести в наличии и под заказ с дотавкой по всей России
Код подсистемы:1100
Наименование:AIR CONDITIONER MOUNTING(-#0402)
Версия:2010. 6.30 REV.10F
AIR CONDITIONER MOUNTING(-#0402) R500LC-7

Поз. | Код | Наименование | Кол | Прим. | |
---|---|---|---|---|---|
1-1 | 11N6-90221 | AIRCON UNIT | 1 | ||
1-10 | 11N6-90110 | холостым шкивом | 1 | ||
1-101 | A4760-508-00-2 | кронштейн шкива | 1 | ||
1-102 | A4700-511-01-2 | холостым шкивом | 1 | ||
1-103 | A8900-518-03-3 | стяжной болт | 1 | ||
1-11 | 11N6-90120 | Кронштейн R / сушилка | 1 | ||
1-12 | 11N4-92110 | Ремень клиновой (приводной) | 1 | ||
1-14 | 11N6-90340 | Фильтр REC | 1 |
SEE 6090
|
|
1-2 | 11N6-90031 | управления в сборе | 1 | ||
1-21 | 11N6-90850 | Наклейка | 1 | ||
1-3 | 11N6-90040 | Компрессор | 1 | ||
1-4 | 11NB-90071 | CONDENSER ASSY | 1 | ||
1-4 | 11NB-90110 | Конденсатор в сборе | 1 | ||
1-41 | A2W00064 | FAN ASSY | 1 |
NOT SHOWN
|
|
1-41 | A2W01105 | Вентилятор и кожух в сборе | 1 |
NOT SHOWN
|
|
1-411 | A2W00396 | Вентилятор | 1 |
NOT SHOWN
|
|
1-412 | A2W01111 | MOTOR | 1 |
NOT SHOWN
|
|
1-42 | A2W00485A | Гидромотор хода | 1 |
NOT SHOWN
|
|
1-42 | A2W01104 | CONDENSER ASSY | 1 |
NOT SHOWN
|
|
1-43 | AA000008 | Болт в сборе | 1 |
NOT SHOWN
|
|
1-5 | 11N6-90060 | сушилка приемник | 1 | ||
1-6 | 11NB-90032 | HOSE-DISCHARGE | 1 | ||
1-6 | 11NB-90033 | HOSE-DISCHARGE | 1 | ||
1-61 | A304000301-4 | заправочный клапан в сборе, ч | 1 | ||
1-62 | A305000205-2 | Кольцо уплотнительное (О-кольцо) | 1 | ||
1-7 | 11N8-90040 | шланг () жидкость | 1 | ||
1-7 | 11NB-90120 | HOSE(A)-LIQUID | 1 | ||
1-71 | A305000209-2 | Кольцо уплотнительное (О-кольцо) | 2 | ||
1-8 | 11N8-90050 | Шланг (б) жидкость, | 1 | ||
1-81 | A305000209-2 | Кольцо уплотнительное (О-кольцо) | 2 | ||
1-9 | 11NB-90040 | SUCTION HOSE | 1 | ||
1-91 | A304000401-4 | Клапан заряд в сборе, л | 1 | ||
1-92 | A305000203-2 | Кольцо уплотнительное (О-кольцо) | 1 | ||
10 | S179-050206 | Винт (торцевой ключ) | 4 | ||
11 | S035-061522 | Болт | 2 | ||
12 | S035-082022 | Болт | 4 | ||
13 | S017-100152 | Болт с шестигранной головкой (под шестигранник) | 1 | ||
14 | S017-120302 | Болт с шестигранной головкой (под шестигранник) | 4 | ||
15 | S105-080956 | Болт с шестигранной головкой (под шестигранник) | 4 | ||
16 | S203-061002 | Гайка | 3 | ||
17 | S203-081002 | Гайка | 1 | ||
18 | S017-100752 | Болт с шестигранной головкой (под шестигранник) | 4 | ||
19 | S403-082002 | Плоская шайба | 2 | ||
20 | S403-102002 | Плоская шайба | 5 | ||
21 | S403-122002 | Плоская шайба | 4 | ||
22 | S403-052002 | Плоская шайба | 4 | ||
23 | S543-400002 | Зажим трубки | 1 | ||
25 | S015-080352 | Болт с шестигранной головкой (под шестигранник) | 2 | ||
26 | 14L3-00741 | Подушка двигателя | 4 | ||
28 | S037-102052 | Болт | 3 | ||
31 | S091-060156 | Болт крыла | 3 | ||
32 | S403-062006 | Плоская шайба | 3 | ||
33 | S035-083522 | Болт | 2 | ||
33 | S035-083522 | Болт | 6 | ||
4 | 11NB-90080 | BRACKET-COMP.MTG | 1 | ||
5 | S035-103522 | Болт | 4 | ||
6 | S411-100002 | Шайба пружинная | 4 | ||
8 | S551-035146 | вязальной проволоки | 2 | ||
9 | S520-015000 | Зажим | 1 | ||
N1 | 11NB-90021 | AIR CON ASSY | 1 |