AIRCON & HEATER UNIT-FATC экскаватора гусеничного Hyundai R80-7A
AIRCON & HEATER UNIT-FATC экскаватора гусеничного Hyundai R80-7A со списком деталей и комплектацией. Каждую деталь можно приобрести в наличии и под заказ с дотавкой по всей России
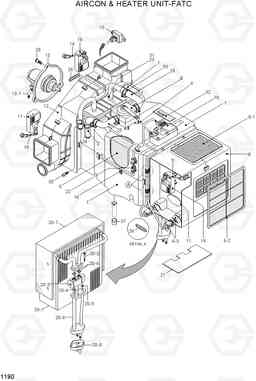
Код подсистемы:1190
Наименование:AIRCON & HEATER UNIT-FATC
Версия:
AIRCON & HEATER UNIT-FATC R80-7A

Поз. | Код | Наименование | Кол | Прим. | |
---|---|---|---|---|---|
* | 11N1-90330 | AUTO AIRCON & HEATER | 1 | ||
1 | AH000089 | HVAC случае УПП | 1 | ||
10 | AW92000200-2 | Мощность TR | 1 | ||
11 | AH001617 | печать губка | 1 | ||
12 | AH001694 | вентилятор случай в сборе | 1 | ||
13 | AH001616 | Мотор отопителя и вентилятор в сборе | 1 | ||
13-1 | A710051601-3 | Сливной шланг | 1 | ||
14 | AW70002300-4 | стержень отверстие | 1 | ||
15 | AW70002400-4 | стержень Def / фут | 1 | ||
16 | AH100587 | MOTOR ACT-VENT | 1 | ||
17 | AH100588 | MOTOR ACT ASSY-DEF/FOOT | 1 | ||
18 | AH100605 | MOTOR ACT-TEMP | 1 | ||
19 | 11N6-90740 | потребление двигательный акт | 1 | ||
2 | AM12101400-0 | HVAC случае низкой | 1 | ||
20 | 11N6-90790 | испарителя ядро в сборе | 1 | ||
20-1 | A111056400-1 | Ядро сборе Лами | 1 | ||
20-2 | A111750100-4 | Болт барашек / шестигранная шайба | 2 | ||
20-3 | 11N6-90800 | расширительный клапан | 1 | ||
20-4 | A305000212-2 | Кольцо уплотнительное (О-кольцо) | 3 | ||
20-5 | A305000211-2 | Кольцо уплотнительное (О-кольцо) | 1 | ||
20-6 | A112059600-2 | Трубка в сборе | 1 | ||
20-7 | A115004900-2 | изоляция | 1 | ||
20-8 | A306201301-3 | крышка фланца | 1 | ||
21 | A120150700-3 | стороны плиты | 1 | ||
22 | A165400100-2 | Канальный датчик | 1 | ||
23 | @ | WIRING ASSY | 1 | ||
24 | AH000314 | Зажим ч / рад трубы | 1 | ||
25 | AH001287 | Наливной шланг, вода | 1 | ||
26 | 4AH-0643 | Держатель провода | 6 | ||
27 | 4AH-0688 | Клип дело | 9 | ||
28 | AH000866 | Болт | 3 | ||
29 | AH001288 | выпускной шланг, вода | 1 | ||
3 | AH000854 | я / трубы и т / датчик | 1 | ||
30 | K500531 | Болт | 28 | ||
31 | AH100312 | Датчик окружающей среды | 2 | ||
32 | @ | NAME PLATE | 1 | ||
33 | AH001853 | хомут воды | 4 | ||
36 | AM800-001-04-3 | Сливной шланг | 1 | ||
37 | 4CC-3354Z | Клапан вакуумный | 1 | ||
4 | AH000856 | Температура стержень | 1 | ||
5 | AM75001000-2 | EVAC изоляции низкой | 1 | ||
6 | AH000055 | Дело в сборе потребление | 1 | ||
6-1 | 11N6-90760 | воздушный фильтр свежий | 1 | ||
6-2 | 11N6-90770 | Обновить воздушный фильтр | 1 | ||
6-3 | AH100025 | Реле | 2 | ||
7 | 11N6-90780 | HEATER CORE | 1 | ||
8 | AH001160 | vlave воды | 1 | ||
9 | AM52300100-4 | потребление стержень | 1 |