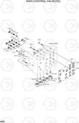
Гидрораспределитель (главный управляющий клапан) (5/5) экскаватора гусеничного Hyundai R210LC-7(#98001-)
Гидрораспределитель (главный управляющий клапан) (5/5) экскаватора гусеничного Hyundai R210LC-7(#98001-) со списком деталей и комплектацией. Каждую деталь можно приобрести в наличии и под заказ с дотавкой по всей России
Код подсистемы:4090
Наименование:MAIN CONTROL VALVE(5/5)
Версия:
MAIN CONTROL VALVE(5/5) R210LC-7(#98001-)

Поз. | Код | Наименование | Кол | Прим. | |
---|---|---|---|---|---|
* | @ | MAIN CONTROL VALVE | 1 | ||
154 | XJBN-00237 | Пробка (заглушка) | 1 | ||
164 | XJBN-00233 | Кольцо уплотнительное (О-кольцо) | 1 | ||
165 | XJBN-00232 | Кольцо уплотнительное (О-кольцо) | 14 | ||
166 | XJBN-00231 | Кольцо уплотнительное (О-кольцо) | 5 | ||
168 | XJBN-00230 | Кольцо уплотнительное (О-кольцо) | 1 | ||
169 | XJBN-00094 | Кольцо уплотнительное (О-кольцо) | 2 | ||
202 | XJBN-00228 | Крышка | 2 | ||
204 | XJBN-00257 | Крышка | 3 | ||
209 | XJBN-00227 | Фланец | 2 | ||
264 | XJBN-00342 | Кольцо уплотнительное (О-кольцо) | 3 | ||
273 | XJBN-00210 | Винт (торцевой ключ) | 10 | ||
511 | XJBN-00172 | POPPET | 3 | ||
516 | XJBN-00170 | POPPET | 1 | ||
521 | XJBN-00169 | Пружина | 3 | ||
523 | XJBN-00168 | Пружина | 1 | ||
551 | XJBN-00167 | Пробка (заглушка) | 4 | ||
552 | XJBN-00166 | Пробка (заглушка) | 1 | ||
561 | XJBN-00046 | Кольцо уплотнительное (О-кольцо) | 5 | ||
971 | XJBN-00160 | Винт (торцевой ключ) | 8 | ||
974 | XJBN-00159 | Винт (торцевой ключ) | 3 | ||
975 | XJBN-00158 | Винт (торцевой ключ) | 5 | ||
976 | XJBN-00157 | Винт (торцевой ключ) | 2 |