AIRCON & HEATER UNIT экскаватора гусеничного Hyundai R210LC-7H(#9001-)
AIRCON & HEATER UNIT экскаватора гусеничного Hyundai R210LC-7H(#9001-) со списком деталей и комплектацией. Каждую деталь можно приобрести в наличии и под заказ с дотавкой по всей России
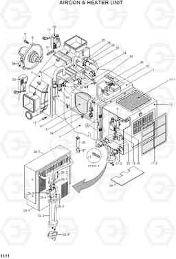
Код подсистемы:1111
Наименование:AIRCON & HEATER UNIT
Версия:
AIRCON & HEATER UNIT R210LC-7H(#9001-)

Поз. | Код | Наименование | Кол | Прим. | |
---|---|---|---|---|---|
* | 11N6-90021 | климатической и отопителя | 1 | ||
1 | AM12101400-0 | HVAC случае низкой | 1 | ||
10 | 11N6-90710 | двигательный акт отверстие | 1 | ||
11 | K500531 | Болт | 28 | ||
12 | AW70002300-4 | стержень отверстие | 1 | ||
13 | AH100311 | двигательный акт температура | 1 | ||
14 | AH001160 | vlave воды | 1 | ||
15 | A165400100-2 | Канальный датчик | 1 | ||
16 | 4AH-0688 | Клип дело | 9 | ||
17 | AH000055 | Дело в сборе потребление | 1 | ||
17-1 | 11N6-90760 | воздушный фильтр свежий | 1 | ||
17-2 | 11N6-90770 | Обновить воздушный фильтр | 1 | ||
17-3 | 11N6-90820 | Реле | 1 | ||
18 | 11N6-90740 | потребление двигательный акт | 1 | ||
19 | AM86000601-2 | резистор в сборе | 1 | ||
2 | AH000089 | HVAC случае УПП | 1 | ||
22 | K500533 | Болт | 2 | ||
23 | AH000314 | Зажим ч / рад трубы | 1 | ||
24 | A112050700-3 | стороны плиты | 1 | ||
25 | 11N6-90780 | HEATER CORE | 1 | ||
26 | 11N6-90790 | испарителя ядро в сборе | 1 | ||
26-1 | A111056400-1 | Ядро сборе Лами | 1 | ||
26-2 | A111750100-4 | Болт барашек / шестигранная шайба | 2 | ||
26-3 | 11N6-90800 | расширительный клапан | 1 | ||
26-4 | A305000212-2 | Кольцо уплотнительное (О-кольцо) | 3 | ||
26-5 | A305000211-2 | Кольцо уплотнительное (О-кольцо) | 1 | ||
26-6 | A112059600-2 | Трубка в сборе | 1 | ||
26-7 | A115004900-2 | изоляция | 1 | ||
26-8 | A306201301-3 | крышка фланца | 1 | ||
28 | AM27000201-3 | хомут воды | 4 | ||
29 | AH001288 | выпускной шланг, вода | 1 | ||
30 | 11N6-90810 | двигательный акт ноги / Def | 1 | ||
31 | 4AH-0643 | Держатель провода | 6 | ||
33 | 11N6-90830 | проводка в сборе | 1 | ||
34 | A710051601-3 | Сливной шланг | 1 | ||
36 | AM800-001-04-3 | Сливной шланг | 1 | ||
37 | 4CC-3354Z | Клапан вакуумный | 1 | ||
38 | AH000856 | Температура стержень | 1 | ||
39 | AH001287 | Наливной шланг, вода | 1 | ||
4 | AM75001000-2 | EVAC изоляции низкой | 1 | ||
40 | AH001415 | на входе водяного теплообменника | 1 | ||
5 | AM52300100-4 | потребление стержень | 1 | ||
6 | AH000106 | вентилятор случай в сборе | 1 | ||
7 | AW70002400-4 | стержень Def / фут | 1 | ||
8 | 11N6-90700 | Мотор отопителя и вентилятор | 1 | ||
8-1 | AW22000800-2 | Вентилятор | 1 | ||
8-2 | AW21002500-1 | MOTOR | 1 | ||
9 | AH000866 | Болт | 3 | ||
N35 | AM99001201-3 | NAME PLATE | 1 |