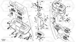
Instruments panel фронтального погрузчика (колесного) Volvo Construction Equipment ZL502C SER NO 0503001 -
Instruments panel фронтального погрузчика (колесного) Volvo Construction Equipment ZL502C SER NO 0503001 - со списком деталей и комплектацией. Каждую деталь можно приобрести в наличии и под заказ с дотавкой по всей России
Код подсистемы:4660
Наименование:Instruments panel
Версия:
Instruments panel ZL502C SER NO 0503001 -
| Поз. | Код | Наименование | Кол | Прим. | |
|---|---|---|---|---|---|
| 1 | ZM 2808765 | Dashboard | 1 | ||
| 10 | ZM 4331110 | Болт | 1 |
M4x16
|
|
| 11 | VOE 955779 | Hexagon nut | 1 |
M4
|
|
| 11 | VOE 955779 | Hexagon nut | 1 |
M4
|
|
| 12 | ZM 2801274 | Реле | 1 |
12V
|
|
| 13 | VOE 11305462 | Реле | 1 |
12V
|
|
| 14 | VOE 11305461 | Реле | 1 |
12V
|
|
| 15 | ZM 4373201 | Реле | 1 |
12V
|
|
| 16 | ZM 4331125 | Болт | 1 | ||
| 17 | ZM 4331124 | Болт | 1 | ||
| 18 | ZM 2808775 | El Cable | 1 | ||
| 19 | ZM 2802287 | Fuse box | 1 | ||
| 2 | ZM 2805374 | Dashboard | 1 | ||
| 20 | VOE 969161 | Fuse | 1 |
CS10
|
|
| 20 | VOE 969161 | Fuse | 1 |
CS10
|
|
| 21 | ZM 2801498 | Bridge | 1 | ||
| 22 | ZM 2802288 | Fuse box | 1 | ||
| 23 | VOE 969161 | Fuse | 1 |
CS10
|
|
| 23 | VOE 969161 | Fuse | 1 |
CS10
|
|
| 24 | VOE 969161 | Fuse | 1 |
CS25
|
|
| 24 | VOE 969161 | Fuse | 1 |
CS25
|
|
| 25 | ZM 2801498 | Bridge | 1 | ||
| 25A | ZM 2807497 | Electronic unit | 1 | ||
| 26 | ZM 2808763 | Dashboard | 1 | ||
| 27 | ZM 2805371 | Dashboard | 1 | ||
| 28 | ZM 2808235 | Symbol Strip | 1 | ||
| 29 | ZM 2904849 | Symbol | 1 | ||
| 29A | ZM 2904850 | Symbol | 1 | ||
| 2A | ZM 2903598 | Box | 1 | ||
| 3 | ZM 2904230 | Крышка | 1 | ||
| 30 | ZM 2288781 | Symbol | 1 | ||
| 31 | ZM 2290660 | Symbol | 1 | ||
| 32 | ZM 2282752 | Symbol | 1 | ||
| 33 | ZM 2282749 | Symbol | 1 | ||
| 34 | ZM 2282748 | Symbol | 1 | ||
| 35 | ZM 7057474 | Bulb | 1 |
J12V/2W
|
|
| 36 | ZM 2290662 | Socket | 1 | ||
| 37 | ZM 2290661 | Socket | 1 | ||
| 38 | ZM 2804481 | Light Moulding | 1 | ||
| 39 | ZM 2290663 | Symbol | 1 | ||
| 4 | ZM 2904231 | Крышка | 1 | ||
| 40 | ZM 2900586 | Symbol | 1 | ||
| 41 | ZM 2290664 | Symbol | 1 | ||
| 42 | ZM 2290665 | Symbol | 1 | ||
| 43 | ZM 2282753 | Symbol | 1 | ||
| 44 | ZM 2282754 | Symbol | 1 | ||
| 45 | ZM 7057474 | Bulb | 1 |
J12V/2W
|
|
| 46 | ZM 2290662 | Socket | 1 | ||
| 47 | ZM 2290661 | Socket | 1 | ||
| 48 | ZM 4372198 | Thermometer | 1 | ||
| 49 | ZM 7057474 | Bulb | 1 |
J12V/2W
|
|
| 5 | ZM 2904232 | Болт | 1 | ||
| 50 | ZM 2808700 | Push Button | 1 | ||
| 51 | ZM 2805643 | Fuel level sensor | 1 | ||
| 52 | ZM 7057474 | Bulb | 1 |
J12V/2W
|
|
| 53 | ZM 4372154 | Hour counter | 1 | ||
| 54 | ZM 2197560 | Electrical plug | 1 | ||
| 55 | ZM 2800238 | Переключатель | 1 | ||
| 56 | ZM 4373208 | Переключатель | 1 | ||
| 57 | ZM 4373291 | Переключатель | 1 | ||
| 58 | VOE 11306919 | Key | 1 | ||
| 58 | VOE 11306919 | Key | 1 | ||
| 58A | ZM 4373254 | Переключатель | 1 | ||
| 59 | ZM 2808774 | Wire Assembly | 1 | ||
| 6 | ZM 4374362 | Warning buzzer | 1 | ||
| 60 | VOE 983242 | Винт шестигранник | 1 |
M8x20
|
|
| 60 | VOE 983242 | Болт | 1 |
M8x20
|
|
| 61 | VOE 11307560 | Шайба | 1 |
B8,4
|
|
| 62 | ZM 2804587 | Болт | 1 |
M4x16
|
|
| 63 | ZM 4331088 | Болт | 1 |
St3,5x16
|
|
| 64 | ZM 4375301 | Distributor, black | 1 | ||
| 65 | VOE 955246 | Винт шестигранник | 1 |
M5x16
|
|
| 65 | VOE 955246 | Винт шестигранник | 1 |
M5x16
|
|
| 66 | VOE 955780 | Hexagon nut | 1 |
M5
|
|
| 66 | VOE 955780 | Hexagon nut | 1 |
M5
|
|
| 67 | ZM 2805317 | Тарелка клапана | 1 | ||
| 68 | ZM 4375303 | Distributor, nature | 1 | ||
| 69 | ZM 4375301 | Distributor, black | 1 | ||
| 7 | ZM 2804108 | Tappet bush | 1 | ||
| 70 | ZM 4375297 | Distributor, yellow | 1 | ||
| 71 | ZM 4375300 | Distributor, red | 1 | ||
| 72 | ZM 4375299 | Distributor, green | 1 | ||
| 73 | ZM 4375298 | Distributor, blue | 1 | ||
| 74 | ZM 4375302 | Distributor, clear grey | 1 | ||
| 75 | ZM 4375304 | Distributor, dark grey | 1 | ||
| 76 | ZM 4375305 | Distributor, white | 1 | ||
| 77 | VOE 955246 | Винт шестигранник | 1 |
M5x16
|
|
| 77 | VOE 955246 | Винт шестигранник | 1 |
M5x16
|
|
| 78 | VOE 955780 | Hexagon nut | 1 |
M5
|
|
| 78 | VOE 955780 | Hexagon nut | 1 |
M5
|
|
| 79 | ZM 4417914 | Пробка (заглушка) | 1 | ||
| 8 | ZM 2804622 | Болт | 1 |
M6x10
|
|
| 80 | ZM 4374361 | Диод | 1 | ||
| 81 | ZM 2810329 | Болт | 1 |
M8x16
|
|
| 82 | ZM 7098010 | Гайка | 1 |
M8
|
|
| 83 | ZM 2806300 | Adhesive tape | 1 | ||
| 84 | VOE 11305166 | Velcro fastener | 1 |
0,4 m
|
|
| 84 | VOE 11305166 | Velcro fastener | 1 |
0,4 m
|
|
| 85 | ZM 2808702 | Переключатель | 1 |
SB 70.015
|
|
| 86 | ZM 2904234 | Переключатель | 1 |
-0504038, SB 70.015
|
|
| 86 | ZM 2808704 | Переключатель | 1 |
0504039-, SB 70.015
|
|
| 87 | ZM 2808703 | Переключатель | 1 |
0504039-, SB 70.015
|
|
| 87 | ZM 2805849 | Переключатель | 1 |
-0504038, SB 70.015
|
|
| 88 | ZM 2804588 | Болт | 1 | ||
| 89 | ZM 2804706 | Clamp shoe | 1 | ||
| 89 | ZM 2804706 | Clamp shoe | 1 | ||
| 9 | ZM 2803439 | Шайба | 1 |
B6,4
|
|
| 90 | ZM 2800951 | Крышка | 1 | ||
| 91 | VOE 4881438 | Cable tie | 1 | ||
| 91 | VOE 4881438 | Cable tie | 1 | ||
| 92 | ZM 2805991 | Panel | 1 |

