Oil filler and dipstick экскаватора-погрузчика Volvo Construction Equipment BL71
Oil filler and dipstick экскаватора-погрузчика Volvo Construction Equipment BL71 со списком деталей и комплектацией. Каждую деталь можно приобрести в наличии и под заказ с дотавкой по всей России
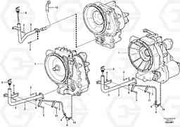
Код подсистемы:3666
Наименование:Oil filler and dipstick
Версия:
Oil filler and dipstick BL71
| Поз. | Код | Наименование | Кол | Прим. | |
|---|---|---|---|---|---|
| VOE 11885312 | Dipstick | 1 | |||
| VOE 11884176 | Dipstick tube | 1 | |||
| VOE 935640 | Elbow nipple | 1 | |||
| VOE 935640 | Elbow nipple | 1 | |||
| VOE 11883510 | Пробка (заглушка) | 1 | |||
| VOE 11883510 | Пробка (заглушка) | 1 | |||
| 1 | VOE 11884310 | Коробка передач (КПП, трансмиссия) | 1 |
Power shuttle
|
|
| 1 | VOE 11890341 | Коробка передач (КПП, трансмиссия) | 1 |
Powershift
|
|
| 1 | VOE 11887381 | Коробка передач (КПП, трансмиссия) | 1 |
Powershift
|
|
| 1 | VOE 11887381 | Коробка передач (КПП, трансмиссия) | 1 |
Powershift
|
|
| 1 | VOE 15600085 | Коробка передач (КПП, трансмиссия) | 1 | ||
| 1 | VOE 15600085 | Коробка передач (КПП, трансмиссия) | 1 | ||
| 1 | VOE 11887380 | Коробка передач (КПП, трансмиссия) | 1 |
POWERSHUTTLE
|
|
| 1 | VOE 11887380 | Коробка передач (КПП, трансмиссия) | 1 |
POWERSHUTTLE
|
|
| 1 | VOE 11888337 | Коробка передач (КПП, трансмиссия) | 1 |
POWERSHIFT
|
|
| 10 | VOE 932039 | Кольцо уплотнительное (О-кольцо) | 1 | ||
| 10 | VOE 932039 | Кольцо уплотнительное (О-кольцо) | 1 | ||
| 11 | VOE 946502 | Flange screw | 1 | ||
| 11 | VOE 946502 | Flange screw | 1 | ||
| 12 | VOE 11882192 | Hose assembly | 1 | ||
| 12 | VOE 11882192 | Hose assembly | 1 | ||
| 2 | VOE 11884881 | Filler pipe | 1 | ||
| 2 | VOE 11888392 | Filler pipe | 1 | ||
| 2 | VOE 11888392 | Filler pipe | 1 | ||
| 2 | VOE 11888392 | Filler pipe | 1 | ||
| 2 | VOE 11888392 | Filler pipe | 1 | ||
| 2 | VOE 11888393 | Filler pipe | 1 | ||
| 2 | VOE 11888393 | Filler pipe | 1 | ||
| 2 | VOE 11884059 | Трубка | 1 | ||
| 3 | VOE 13967630 | Allen Hd Screw | 1 | ||
| 3 | VOE 13946173 | Screw | 1 | ||
| 3 | VOE 13946173 | Болт | 1 | ||
| 3 | VOE 963218 | Винт шестигранник | 1 | ||
| 4 | VOE 946036 | Lock nut | 1 | ||
| 4 | VOE 946036 | Lock nut | 1 | ||
| 5 | VOE 11888467 | Dipstick | 1 | ||
| 5 | VOE 11888467 | Dipstick | 1 | ||
| 5 | VOE 11888467 | Dipstick | 1 | ||
| 5 | VOE 11888467 | Dipstick | 1 | ||
| 5 | VOE 11889090 | Dipstick | 1 | ||
| 5 | VOE 11889090 | Dipstick | 1 | ||
| 5 | VOE 11882698 | Filler cap | 1 | ||
| 6 | VOE 11882695 | Dipstick | 1 | ||
| 7 | VOE 11882696 | Dipstick tube | 1 | ||
| 8 | VOE 935069 | Elbow nipple | 1 | ||
| 8 | VOE 935069 | Elbow nipple | 1 | ||
| 9 | VOE 4880492 | Кольцо уплотнительное (О-кольцо) | 1 | ||
| 9 | VOE 4880492 | Кольцо уплотнительное (О-кольцо) | 1 |

