Головка блока цилиндров фронтального погрузчика (колесного) Volvo Construction Equipment L20B TYPE 170 SER NO - 0499
Головка блока цилиндров фронтального погрузчика (колесного) Volvo Construction Equipment L20B TYPE 170 SER NO - 0499 со списком деталей и комплектацией. Каждую деталь можно приобрести в наличии и под заказ с дотавкой по всей России
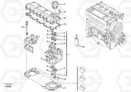
Код подсистемы:14151
Наименование:Cylinder head
Версия:
Cylinder head L20B TYPE 170 SER NO - 0499
| Поз. | Код | Наименование | Кол | Прим. | |
|---|---|---|---|---|---|
| 1 | VOE 11370182 | Головка блока цилиндров | 1 | ||
| 1 | VOE 11370182 | Cylinder head | 1 | ||
| 10 | ZM 2903912 | Locking agent | 1 | ||
| 11 | VOE 11370141 | Прокладка головки цилиндра | 1 |
1,55 MM
|
|
| 11 | VOE 11370141 | Прокладка головки цилиндра | 1 |
1,55 MM
|
|
| 11 | VOE 11370142 | Прокладка головки цилиндра | 1 |
1,60 MM
|
|
| 11 | VOE 11370142 | Прокладка головки цилиндра | 1 |
1,60 MM
|
|
| 11 | VOE 11370140 | Прокладка головки цилиндра | 1 |
1,48 MM
|
|
| 11 | VOE 11370140 | Прокладка головки цилиндра | 1 |
1,48 MM
|
|
| 12 | ZM 2904093 | Clamping pin | 1 | ||
| 13 | ZM 2904092 | Cylinder head screw | 1 | ||
| 14 | ZM 2904098 | Прокладка | 1 | ||
| 14 | ZM 2904098 | Прокладка | 1 | ||
| 15 | VOE 11370139 | Крышка клапанная (головки цилиндров) | 1 | ||
| 15 | VOE 11370139 | Крышка клапанная (головки цилиндров) | 1 | ||
| 16 | ZM 2908485 | Болт | 1 |
M6X30
|
|
| 17 | ZM 2904064 | Filler cap | 1 | ||
| 17 | ZM 2904064 | Filler cap | 1 | ||
| 2 | ZM 2908491 | Клапан впускной | 1 | ||
| 3 | VOE 11370184 | Valve seat ring | 1 |
42,67 MM
|
|
| 3 | VOE 11370184 | Valve seat ring | 1 |
42,67 MM
|
|
| 3 | VOE 11370185 | Valve seat ring | 1 |
42,87 MM
|
|
| 3 | VOE 11370185 | Valve seat ring | 1 |
42,87 MM
|
|
| 4 | ZM 2908492 | Клапан выпускной | 1 | ||
| 5 | ZM 2290500 | Valve seat ring | 1 |
37,27 MM
|
|
| 5 | VOE 11370183 | Valve seat ring | 1 |
37,07 MM
|
|
| 5 | VOE 11370183 | Valve seat ring | 1 |
37,07 MM
|
|
| 6 | VOE 20459855 | Valve seal | 1 | ||
| 6 | VOE 20459855 | Valve seal | 1 | ||
| 7 | ZM 2904091 | Pressure spring | 1 | ||
| 8 | ZM 2908493 | Spring Disc | 1 | ||
| 9 | VOE 20459857 | Valve Cone | 1 |

