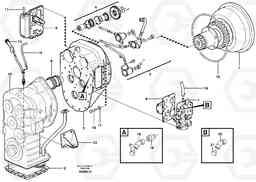
Hydraulic transmission with fitting parts погрузчика колесного Volvo Construction Equipment L70E
Hydraulic transmission with fitting parts погрузчика колесного Volvo Construction Equipment L70E со списком деталей и комплектацией. Каждую деталь можно приобрести в наличии и под заказ с дотавкой по всей России
Код подсистемы:30000
Наименование:Hydraulic transmission with fitting parts
Версия:
Hydraulic transmission with fitting parts L70E
| Поз. | Код | Наименование | Кол | Прим. | |
|---|---|---|---|---|---|
| VOE 22530 | Hydraulic transmission | 1 |
HT95
|
||
| 15 | VOE 926101 | Кольцо уплотнительное (О-кольцо) | 1 | ||
| 15 | VOE 926101 | Кольцо уплотнительное (О-кольцо) | 1 | ||
| 16 | VOE 13970879 | Винт шестигранник | 1 | ||
| 16 | VOE 13970879 | Винт шестигранник | 1 | ||
| 17 | VOE 941908 | Шайба пружинная | 1 | ||
| 17 | VOE 941908 | Шайба пружинная | 1 | ||
| 18 | VOE 11145363 | Non-return valve | 1 | ||
| 19 | VOE 936157 | Elbow nipple | 1 | ||
| 20 | VOE 936156 | Elbow nipple | 1 | ||
| 21 | VOE 11103457 | Пробка (заглушка) | 1 | ||
| 3 | VOE 11144843 | Converter shell | 1 |

