Converter housing with fitting parts погрузчика колесного Volvo Construction Equipment L70E
Converter housing with fitting parts погрузчика колесного Volvo Construction Equipment L70E со списком деталей и комплектацией. Каждую деталь можно приобрести в наличии и под заказ с дотавкой по всей России
Код подсистемы:30011
Наименование:Converter housing with fitting parts
Версия:22530
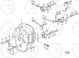
Converter housing with fitting parts L70E
| Поз. | Код | Наименование | Кол | Прим. | |
|---|---|---|---|---|---|
| 1 | VOE 11144843 | Converter shell | 1 | ||
| 10 | VOE 13965180 | Screw | 1 | ||
| 10 | VOE 13965180 | Болт | 1 | ||
| 11 | VOE 13960141 | Шайба | 1 | ||
| 11 | VOE 13960141 | Шайба | 1 | ||
| 12 | VOE 11419558 | Oil distributor | 1 |
TM NO 11601 - 11839
|
|
| 12 | VOE 11144902 | Oil distributor | 1 |
TM NO - 11600
|
|
| 13 | VOE 13946173 | Screw | 1 | ||
| 13 | VOE 13946173 | Болт | 1 | ||
| 14 | VOE 4871943 | Трубка | 1 | ||
| 14 | VOE 4871943 | Трубка | 1 | ||
| 15 | VOE 941686 | Hollow screw | 1 | ||
| 15 | VOE 941686 | Hollow screw | 1 | ||
| 16 | VOE 7011996 | Прокладка | 1 | ||
| 16 | VOE 7011996 | Прокладка | 1 | ||
| 17 | VOE 11036001 | Трубка | 1 | ||
| 17 | VOE 11036001 | Трубка | 1 | ||
| 18 | VOE 944364 | Кольцо уплотнительное (О-кольцо) | 1 | ||
| 18 | VOE 944364 | Кольцо уплотнительное (О-кольцо) | 1 | ||
| 19 | VOE 13965180 | Screw | 1 | ||
| 19 | VOE 13965180 | Болт | 1 | ||
| 2 | VOE 4718167 | Палец | 1 | ||
| 20 | VOE 13960141 | Шайба | 1 | ||
| 20 | VOE 13960141 | Шайба | 1 | ||
| 21 | VOE 4871940 | Трубка | 1 | ||
| 21 | VOE 4871940 | Трубка | 1 | ||
| 22 | VOE 13946173 | Screw | 1 | ||
| 22 | VOE 13946173 | Болт | 1 | ||
| 23 | VOE 968007 | Кольцо уплотнительное (О-кольцо) | 1 | ||
| 23 | VOE 968007 | Кольцо уплотнительное (О-кольцо) | 1 | ||
| 24 | VOE 11144903 | Oil distributor | 1 |
TM NO - 11600
|
|
| 24 | VOE 11419559 | Oil distributor | 1 |
TM NO 11601 - 11839
|
|
| 25 | VOE 13946173 | Screw | 1 | ||
| 25 | VOE 13946173 | Болт | 1 | ||
| 26 | VOE 11144080 | Трубка | 1 | ||
| 26 | VOE 11144080 | Трубка | 1 | ||
| 27 | VOE 944364 | Кольцо уплотнительное (О-кольцо) | 1 | ||
| 27 | VOE 944364 | Кольцо уплотнительное (О-кольцо) | 1 | ||
| 28 | VOE 4780941 | Induction sensor | 1 |
SE201
|
|
| 28 | VOE 4780941 | Induction sensor | 1 |
SE201
|
|
| 29 | VOE 11700303 | Сальник | 1 | ||
| 3 | VOE 950711 | Палец | 1 | ||
| 30 | VOE 4871219 | Трубка | 1 | ||
| 30 | VOE 4871219 | Трубка | 1 | ||
| 31 | VOE 7026013 | Hollow screw | 1 | ||
| 31 | VOE 7026013 | Hollow screw | 1 | ||
| 32 | VOE 11700303 | Сальник | 1 | ||
| 4 | VOE 13970973 | Винт шестигранник | 1 | ||
| 4 | VOE 13970973 | Винт шестигранник | 1 | ||
| 5 | VOE 13949608 | Шайба | 1 | ||
| 5 | VOE 13949608 | Шайба | 1 | ||
| 6 | VOE 11144904 | Oil distributor | 1 |
TM NO - 11600
|
|
| 6 | VOE 11419560 | Oil distributor | 1 |
TM NO 11601 - 11839
|
|
| 7 | VOE 13946173 | Screw | 1 | ||
| 7 | VOE 13946173 | Болт | 1 | ||
| 8 | VOE 4871210 | Трубка | 1 | ||
| 8 | VOE 4871210 | Трубка | 1 | ||
| 9 | VOE 944364 | Кольцо уплотнительное (О-кольцо) | 1 | ||
| 9 | VOE 944364 | Кольцо уплотнительное (О-кольцо) | 1 |

