Coolant filter погрузчика колесного Volvo Construction Equipment L110E S/N 1002 - 2165 SWE, 60001- USA,70201-70257BRA
    Coolant filter погрузчика колесного Volvo Construction Equipment L110E S/N 1002 - 2165 SWE, 60001- USA,70201-70257BRA со списком деталей и комплектацией. Каждую деталь можно приобрести в наличии и под заказ с дотавкой по всей России
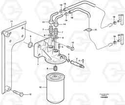
Код подсистемы:83950
            Наименование:Coolant filter
            Версия:82123
        Coolant filter L110E S/N 1002 - 2165 SWE, 60001- USA,70201-70257BRA
        | Поз. | Код | Наименование | Кол | Прим. | |
|---|---|---|---|---|---|
| VOE 11993236 | Кронштейн | 1 | |||
| VOE 20532237 | Coolant filter | 1 | 
                                                                     
                                            
                                            SER NO 1337 -                                         
                                     | 
                            ||
| VOE 20532237 | Coolant filter | 1 | 
                                                                     
                                            
                                            SER NO 1337 -                                         
                                     | 
                            ||
| VOE 981904 | Зажим | 1 | 
                                                                     
                                            
                                            22,2                                         
                                     | 
                            ||
| VOE 981904 | Зажим | 1 | 
                                                                     
                                            
                                            22,2                                         
                                     | 
                            ||
| 1 | VOE 1661683 | Кронштейн | 1 | ||
| 1 | VOE 1661683 | Кронштейн | 1 | ||
| 10 | VOE 1699830 | Coolant filter | 1 | 
                                                                     
                                            
                                            SER NO - 1336                                         
                                     | 
                            |
| 10 | VOE 1699830 | Coolant filter | 1 | 
                                                                     
                                            
                                            SER NO - 1336                                         
                                     | 
                            |
| 11 | VOE 11173738 | 11173738 | 1 | ||
| 12 | VOE 13965180 | Screw | 1 | ||
| 12 | VOE 13965180 | Болт | 1 | ||
| 13 | VOE 946671 | Flange screw | 1 | ||
| 13 | VOE 946671 | Flange screw | 1 | ||
| 14 | VOE 11033093 | Pipe elbow | 1 | ||
| 14 | VOE 11033093 | Pipe elbow | 1 | ||
| 15 | VOE 943367 | Шланг | 1 | 
                                                                     
                                            
                                            L = 2250 MM                                         
                                     | 
                            |
| 15 | VOE 943367 | Шланг | 1 | 
                                                                     
                                            
                                            L = 2250 MM                                         
                                     | 
                            |
| 16 | VOE 943471 | Hose clamp | 1 | ||
| 17 | VOE 11173737 | T-pipe | 1 | 
                                                                     
                                            
                                            OD = 20 MM                                         
                                     | 
                            |
| 18 | VOE 943367 | Шланг | 1 | 
                                                                     
                                            
                                            L = 2250 MM                                         
                                     | 
                            |
| 18 | VOE 943367 | Шланг | 1 | 
                                                                     
                                            
                                            L = 2250 MM                                         
                                     | 
                            |
| 19 | VOE 943471 | Hose clamp | 1 | ||
| 2 | VOE 1661686 | Spindle | 1 | ||
| 2 | VOE 1661686 | Spindle | 1 | ||
| 20 | VOE 11173736 | T-pipe | 1 | 
                                                                     
                                            
                                            OD = 16 MM                                         
                                     | 
                            |
| 21 | VOE 949902 | Cable tie | 1 | ||
| 21 | VOE 949902 | Cable tie | 1 | ||
| 3 | VOE 968725 | Кольцо уплотнительное (О-кольцо) | 1 | ||
| 3 | VOE 968725 | Кольцо уплотнительное (О-кольцо) | 1 | ||
| 4 | VOE 990820 | Spring pin | 1 | ||
| 5 | VOE 961236 | Allen Hd Screw | 1 | ||
| 6 | VOE 1676554 | Nipple | 1 | ||
| 6 | VOE 1676554 | Nipple | 1 | ||
| 7 | VOE 941754 | Nipple | 1 | ||
| 7 | VOE 941754 | Nipple | 1 | ||
| 8 | VOE 976929 | Прокладка | 1 | ||
| 8 | VOE 976929 | Прокладка | 1 | ||
| 9 | VOE 469846 | Кольцо уплотнительное | 1 | ||
| 9 | VOE 469846 | Кольцо уплотнительное | 1 | 

