Система охлаждения мини экскаватора Volvo Construction Equipment EW55B
Система охлаждения мини экскаватора Volvo Construction Equipment EW55B со списком деталей и комплектацией. Каждую деталь можно приобрести в наличии и под заказ с дотавкой по всей России
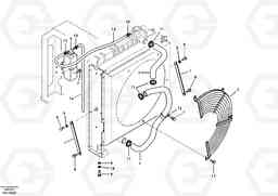
Код подсистемы:88947
Наименование:Cooling system
Версия:
Cooling system EW55B
| Поз. | Код | Наименование | Кол | Прим. | |
|---|---|---|---|---|---|
| VOE 14546526 | Cap | 1 | |||
| VOE 14542491 | Шланг | 1 |
S/N 30530-
|
||
| VOE 14881125 | Шланг | 1 |
S/N 30530-
|
||
| VOE 14881125 | Шланг | 1 |
S/N 30530-
|
||
| VOE 14614283 | Бак | 1 |
S/N 30570-
|
||
| VOE 14881123 | Шланг | 1 |
S/N 30530-
|
||
| VOE 946440 | Flange screw | 1 |
S/N 30078-
|
||
| VOE 946440 | Flange screw | 1 |
S/N 30078-
|
||
| 1 | SA 1115-30130 | Опора | 1 | ||
| 10 | SA 9312-00004 | Зажим | 1 | ||
| 11 | SA 9312-10250 | Зажим | 1 | ||
| 12 | SA 9315-16001 | Скоба (хомут) | 1 | ||
| 13 | VOE 14881087 | Шланг топливный | 1 |
S/N 30001-30529
|
|
| 14 | VOE 14881183 | Шланг | 1 |
S/N 30001-30529
|
|
| 15 | SA 9312-00005 | Зажим | 1 | ||
| 16 | VOE 955922 | Шайба пружинная | 1 | ||
| 16 | VOE 955922 | Шайба пружинная | 1 | ||
| 17 | VOE 946173 | Flange screw | 1 |
S/N 30078-
|
|
| 17 | VOE 946173 | Flange screw | 1 |
S/N 30078-
|
|
| 2 | SA 1115-30220 | Guard | 1 | ||
| 2 | SA 1115-30220 | Guard | 1 | ||
| 3 | VOE 14503559 | Шланг | 1 |
S/N 30001-30529
|
|
| 4 | VOE 14503561 | Шланг | 1 | ||
| 4 | VOE 14503561 | Шланг | 1 | ||
| 5 | VOE 14546444 | Бак | 1 |
COOLANT SUB
|
|
| 6 | VOE 983252 | Винт шестигранник | 1 | ||
| 6 | VOE 983252 | Винт шестигранник | 1 | ||
| 7 | VOE 946440 | Flange screw | 1 |
S/N 30001-30077
|
|
| 7 | VOE 946440 | Flange screw | 1 |
S/N 30001-30077
|
|
| 8 | VOE 965191 | Болт | 1 | ||
| 8 | VOE 965191 | Flange screw | 1 | ||
| 9 | SA 9211-10000 | Шайба | 1 | ||
| 9 | SA 9211-10000 | Шайба | 1 |

