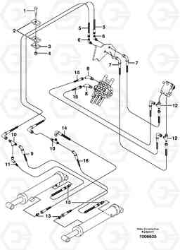
Attachment tilt hydraulic circuit мини погрузчика Volvo Construction Equipment MC70
Attachment tilt hydraulic circuit мини погрузчика Volvo Construction Equipment MC70 со списком деталей и комплектацией. Каждую деталь можно приобрести в наличии и под заказ с дотавкой по всей России
Код подсистемы:10305
Наименование:Attachment tilt hydraulic circuit
Версия:
Attachment tilt hydraulic circuit MC70
| Поз. | Код | Наименование | Кол | Прим. | |
|---|---|---|---|---|---|
| 1 | VOE 13955527 | Болт | 1 | ||
| 1 | VOE 13955527 | Болт | 1 | ||
| 10 | VOE 11842017 | Tee | 1 | ||
| 11 | VOE 11841151 | Шланг | 1 | ||
| 12 | VOE 11842006 | Tee | 1 | ||
| 13 | VOE 11841868 | Соединитель | 1 | ||
| 14 | VOE 11841148 | Шланг | 1 | ||
| 15 | VOE 11840644 | Шланг | 1 | ||
| 16 | VOE 11841183 | Шланг | 1 | ||
| 2 | VOE 4880666 | Зажим | 1 | ||
| 2 | VOE 4880666 | Зажим | 1 | ||
| 3 | VOE 11842008 | Крышка | 1 | ||
| 4 | VOE 950353 | Lock nut | 1 | ||
| 4 | VOE 950353 | Lock nut | 1 | ||
| 5 | VOE 11841122 | Шланг | 1 | ||
| 6 | VOE 11841886 | Соединитель | 1 | ||
| 7 | VOE 11841157 | Шланг | 1 | ||
| 8 | VOE 11841981 | Elbow | 1 | ||
| 9 | VOE 11841149 | Шланг | 1 |

