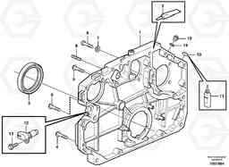
Timing gear casing and gears экскаватора Volvo Construction Equipment EW140B
    Timing gear casing and gears экскаватора Volvo Construction Equipment EW140B со списком деталей и комплектацией. Каждую деталь можно приобрести в наличии и под заказ с дотавкой по всей России
Код подсистемы:10248
            Наименование:Timing gear casing and gears
            Версия:
        Timing gear casing and gears EW140B
        | Поз. | Код | Наименование | Кол | Прим. | |
|---|---|---|---|---|---|
| 1 | VOE 20592784 | Casing | 1 | ||
| 10 | VOE 20405605 | Крышка | 1 | ||
| 10 | VOE 20405605 | Крышка | 1 | ||
| 12 | VOE 20924088 | Sensor | 1 | 
                                                                     
                                            
                                            SE2703                                         
                                     | 
                            |
| 13 | VOE 20460055 | Болт | 1 | ||
| 13 | VOE 20460055 | Болт | 1 | ||
| 14 | VOE 13947621 | Plane gasket | 1 | ||
| 14 | VOE 13947621 | Plane gasket | 1 | ||
| 15 | VOE 20451012 | Болт | 1 | ||
| 15 | VOE 20451012 | Пробка (заглушка) | 1 | ||
| 2 | VOE 20549871 | Sealant | 1 | ||
| 3 | VOE 20412286 | Кольцо уплотнительное | 1 | ||
| 3 | VOE 20412286 | Кольцо уплотнительное | 1 | ||
| 4 | VOE 20412324 | Болт | 1 | ||
| 4 | VOE 20412324 | Болт | 1 | ||
| 5 | VOE 20405709 | Болт | 1 | ||
| 5 | VOE 20405709 | Болт | 1 | ||
| 6 | VOE 20405653 | Болт | 1 | ||
| 6 | VOE 20405653 | Болт | 1 | ||
| 7 | VOE 13955900 | Шайба | 1 | ||
| 7 | VOE 13955900 | Шайба | 1 | ||
| 8 | 20450795 | установочный винт | 1 | ||
| 9 | VOE 20405709 | Болт | 1 | ||
| 9 | VOE 20405709 | Болт | 1 | 

