Pump with fitting parts погрузчика колесного Volvo Construction Equipment L50E BRAZIL, S/N 71001 -
Pump with fitting parts погрузчика колесного Volvo Construction Equipment L50E BRAZIL, S/N 71001 - со списком деталей и комплектацией. Каждую деталь можно приобрести в наличии и под заказ с дотавкой по всей России
Код подсистемы:100245
Наименование:Pump with fitting parts
Версия:
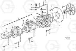
Pump with fitting parts L50E BRAZIL, S/N 71001 -
| Поз. | Код | Наименование | Кол | Прим. | |
|---|---|---|---|---|---|
| VOE 11707072 | Sealing kit | 1 | |||
| 1 | VOE 11036663 | Damping element | 1 | ||
| 10 | VOE 15077885 | Гидронасос (основной насос) | 1 | ||
| 10 | VOE 15077885 | Гидронасос (основной насос) | 1 | ||
| 11 | VOE 13955900 | Шайба | 1 | ||
| 11 | VOE 13955900 | Шайба | 1 | ||
| 12 | VOE 11410012 | Вставка | 1 | ||
| 13 | VOE 968593 | Flange screw | 1 | ||
| 13 | VOE 968593 | Flange screw | 1 | ||
| 14 | VOE 13930908 | Шайба | 1 | ||
| 14 | VOE 13930908 | Шайба | 1 | ||
| 15 | VOE 965225 | Flange screw | 1 | ||
| 15 | VOE 965225 | Flange screw | 1 | ||
| 16 | VOE 948884 | Plane gasket | 1 | ||
| 16 | VOE 948884 | Plane gasket | 1 | ||
| 17 | VOE 11090607 | Reduction nipple | 1 | ||
| 18 | VOE 936443 | Testing nipple | 1 | ||
| 19 | VOE 969279 | Allen Hd Screw | 1 | ||
| 2 | VOE 959241 | Винт шестигранник (торцевой ключ) | 1 | ||
| 20 | VOE 13955897 | Шайба | 1 | ||
| 20 | VOE 13955897 | Шайба | 1 | ||
| 21 | VOE 959238 | Allen Hd Screw | 1 | ||
| 22 | VOE 976945 | Шайба | 1 | ||
| 22 | VOE 976945 | Шайба | 1 | ||
| 23 | VOE 959236 | Allen Hd Screw | 1 | ||
| 3 | VOE 11036662 | Ступица | 1 | ||
| 4 | VOE 11410488 | Pump retainer | 1 | ||
| 5 | VOE 946329 | Flange screw | 1 | ||
| 5 | VOE 946329 | Flange screw | 1 | ||
| 7 | VOE 11145389 | Насос | 1 | ||
| 8 | VOE 11147258 | Гидронасос (основной насос) | 1 | ||
| 8 | VOE 11147258 | Гидронасос (основной насос) | 1 | ||
| 9 | VOE 11147621 | Гидронасос (основной насос) | 1 | ||
| 9 | VOE 11147621 | Гидронасос (основной насос) | 1 |

