Suction hose and filter погрузчика колесного Volvo Construction Equipment L50E BRAZIL, S/N 71001 -
Suction hose and filter погрузчика колесного Volvo Construction Equipment L50E BRAZIL, S/N 71001 - со списком деталей и комплектацией. Каждую деталь можно приобрести в наличии и под заказ с дотавкой по всей России
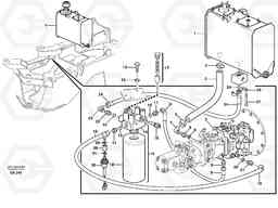
Код подсистемы:52525
Наименование:Suction hose and filter
Версия:
Suction hose and filter L50E BRAZIL, S/N 71001 -
| Поз. | Код | Наименование | Кол | Прим. | |
|---|---|---|---|---|---|
| VOE 932042 | Кольцо уплотнительное (О-кольцо) | 1 | |||
| VOE 932042 | Кольцо уплотнительное (О-кольцо) | 1 | |||
| 10 | VOE 964116 | Кольцо уплотнительное (О-кольцо) | 1 | ||
| 10 | VOE 964116 | Кольцо уплотнительное (О-кольцо) | 1 | ||
| 11 | VOE 11090471 | Nipple | 1 | ||
| 11 | VOE 11090471 | Nipple | 1 | ||
| 12 | VOE 13940109 | Lock washer | 1 | ||
| 12 | VOE 13940109 | Стопорная шайба (кольцо) | 1 | ||
| 13 | VOE 946471 | Flange screw | 1 | ||
| 13 | VOE 946471 | Flange screw | 1 | ||
| 14 | VOE 11144060 | Фильтр топливный | 1 | ||
| 15 | VOE 11144059 | Filter Retainer | 1 | ||
| 16 | VOE 11705881 | Sensor | 1 |
SE401
|
|
| 17 | VOE 11996360 | Valve kit | 1 | ||
| 17 | VOE 11996360 | Valve kit | 1 | ||
| 18 | VOE 11036607 | Filter cartridge | 1 | ||
| 18 | VOE 11036607 | Filter cartridge | 1 | ||
| 19 | VOE 13933303 | Hose assembly | 1 | ||
| 19 | VOE 13933303 | Hose assembly | 1 | ||
| 2 | VOE 11091438 | Шланг | 1 |
L=380MM
|
|
| 2 | VOE 11091438 | Шланг | 1 |
L=380MM
|
|
| 20 | VOE 14013070 | Sealing washer | 1 | ||
| 20 | VOE 14013070 | Sealing washer | 1 | ||
| 21 | VOE 11090470 | Nipple | 1 | ||
| 21 | VOE 11090470 | Nipple | 1 | ||
| 22 | VOE 4821853 | Clutch | 1 | ||
| 23 | VOE 4821878 | L-connection | 1 | ||
| 23 | VOE 4821878 | L-connection | 1 | ||
| 24 | VOE 935175 | Hose assembly | 1 | ||
| 25 | VOE 990756 | Кольцо уплотнительное | 1 | ||
| 26 | VOE 11015455 | Flange half | 1 | ||
| 26 | VOE 11015455 | Flange half | 1 | ||
| 27 | VOE 13965188 | Болт | 1 | ||
| 27 | VOE 13965188 | Screw | 1 | ||
| 28 | VOE 11091448 | Адаптер | 1 | ||
| 28 | VOE 11091448 | Адаптер | 1 | ||
| 29 | VOE 14013067 | Sealing washer | 1 | ||
| 29 | VOE 14013067 | Sealing washer | 1 | ||
| 3 | VOE 927465 | Hose clamp | 1 | ||
| 3 | VOE 927465 | Hose clamp | 1 | ||
| 30 | VOE 11039721 | Pressure monitor | 1 |
SE412
|
|
| 31 | VOE 13945653 | Plane gasket | 1 | ||
| 31 | VOE 13945653 | Plane gasket | 1 | ||
| 4 | VOE 13932004 | Nipple | 1 | ||
| 4 | VOE 13932004 | Nipple | 1 | ||
| 5 | VOE 13963950 | Nipple | 1 | ||
| 5 | VOE 13963950 | Nipple | 1 | ||
| 6 | VOE 14013072 | Sealing washer | 1 | ||
| 6 | VOE 14013072 | Sealing washer | 1 | ||
| 8 | VOE 11004954 | Nipple | 1 | ||
| 8 | VOE 11004954 | Nipple | 1 | ||
| 9 | VOE 13933103 | Hose assembly | 1 |
L=550
|
|
| 9 | VOE 13933103 | Hose assembly | 1 |
L=550
|

