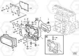
Масляный радиатор экскаватора Volvo Construction Equipment EW200B
Масляный радиатор экскаватора Volvo Construction Equipment EW200B со списком деталей и комплектацией. Каждую деталь можно приобрести в наличии и под заказ с дотавкой по всей России
Код подсистемы:6223
Наименование:Oil cooler
Версия:
Oil cooler EW200B
| Поз. | Код | Наименование | Кол | Прим. | |
|---|---|---|---|---|---|
| 1 | VOE 20944126 | Oil Filter Hsg | 1 | ||
| 10 | VOE 20459195 | Пробка (заглушка) | 1 | ||
| 10 | VOE 20459195 | Пробка (заглушка) | 1 | ||
| 10A | VOE 20496519 | Nipple | 1 | ||
| 10A | VOE 20496519 | Nipple | 1 | ||
| 11 | VOE 20405599 | Кольцо уплотнительное | 1 | ||
| 11 | VOE 20405599 | Кольцо уплотнительное | 1 | ||
| 12 | VOE 11700609 | Крышка | 1 | ||
| 12 | VOE 11700609 | Cover | 1 | ||
| 13 | VOE 20459197 | Болт | 1 | ||
| 13 | VOE 20459197 | Болт | 1 | ||
| 14 | VOE 13947281 | Прокладка | 1 | ||
| 14 | VOE 13947281 | Прокладка | 1 | ||
| 15 | VOE 20460239 | Пробка (заглушка) | 1 | ||
| 16 | VOE 20450890 | Кольцо уплотнительное | 1 | ||
| 16 | VOE 20450890 | Кольцо уплотнительное | 1 | ||
| 17 | VOE 20496548 | Пробка (заглушка) | 1 | ||
| 17 | VOE 20496548 | Пробка (заглушка) | 1 | ||
| 18 | VOE 20405917 | Болт | 1 | ||
| 18 | VOE 20405917 | Болт | 1 | ||
| 19 | VOE 20405672 | Болт | 1 | ||
| 19 | VOE 20405672 | Болт | 1 | ||
| 2 | VOE 20459204 | Клапан | 1 | ||
| 2 | VOE 20459204 | Клапан | 1 | ||
| 20 | VOE 20511773 | Масляный радиатор | 1 | ||
| 20 | VOE 20511773 | Масляный радиатор | 1 | ||
| 21 | VOE 20405885 | Болт | 1 | ||
| 21 | VOE 20405885 | Болт | 1 | ||
| 22 | VOE 20459191 | Пробка (заглушка) | 1 | ||
| 22 | VOE 20459191 | Пробка (заглушка) | 1 | ||
| 23 | VOE 20459193 | Кольцо уплотнительное | 1 | ||
| 23 | VOE 20459193 | Кольцо уплотнительное | 1 | ||
| 24 | VOE 20459192 | Прокладка | 1 | ||
| 24 | VOE 20459192 | Прокладка | 1 | ||
| 25 | VOE 20796351 | Бак | 1 | ||
| 25 | VOE 20796351 | Бак | 1 | ||
| 26 | VOE 20914901 | Retaining Plate | 1 | ||
| 27 | VOE 20412324 | Болт | 1 | ||
| 27 | VOE 20412324 | Болт | 1 | ||
| 3 | VOE 20459203 | Прокладка | 1 | ||
| 3 | VOE 20459203 | Прокладка | 1 | ||
| 4 | VOE 20459202 | Прокладка | 1 | ||
| 4 | VOE 20459202 | Прокладка | 1 | ||
| 5 | VOE 20459201 | Nipple | 1 | ||
| 5 | VOE 20459201 | Nipple | 1 | ||
| 6 | VOE 20459200 | Nipple | 1 | ||
| 6 | VOE 20459200 | Nipple | 1 | ||
| 7 | VOE 13947622 | Plane gasket | 1 | ||
| 7 | VOE 13947622 | Plane gasket | 1 | ||
| 8 | VOE 20502245 | пробки | 1 | ||
| 9 | VOE 13947628 | Plane gasket | 1 | ||
| 9 | VOE 13947628 | Plane gasket | 1 |

