Control valve, travel motor экскаватора Volvo Construction Equipment EW145B
Control valve, travel motor экскаватора Volvo Construction Equipment EW145B со списком деталей и комплектацией. Каждую деталь можно приобрести в наличии и под заказ с дотавкой по всей России
Код подсистемы:23328
Наименование:Control valve, travel motor
Версия:
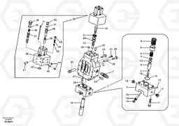
Control valve, travel motor EW145B
| Поз. | Код | Наименование | Кол | Прим. | |
|---|---|---|---|---|---|
| VOE 14530578 | Клапан | 1 | |||
| 1 | VOE 14530094 | Клапан | 1 | ||
| 10 | VOE 14530089 | Кольцо уплотнительное (О-кольцо) | 1 | ||
| 11 | VOE 14530583 | Болт | 1 | ||
| 15 | SA 8230-29250 | Палец | 1 | ||
| 16 | SA 8230-29280 | Lock nut | 1 | ||
| 19 | SA 8230-30060 | Поршень | 1 | ||
| 2 | VOE 14530579 | Regulator | 1 | ||
| 21 | VOE 14530090 | Поршень | 1 | ||
| 22 | SA 8230-29610 | Палец | 1 | ||
| 23 | SA 8230-29110 | Болт | 1 | ||
| 24 | SA 8230-29120 | Болт | 1 | ||
| 25 | VOE 14525807 | Кольцо уплотнительное (О-кольцо) | 1 |
(SA8230-02511)
|
|
| 26 | VOE 14525808 | Кольцо уплотнительное (О-кольцо) | 1 | ||
| 27 | SA 8230-02421 | Кольцо уплотнительное (О-кольцо) | 1 | ||
| 28 | SA 8230-29140 | Болт | 1 | ||
| 28 | SA 8230-29140 | Болт | 1 | ||
| 29 | ZM 7099735 | Кольцо | 1 |
(SA8230-02550)
|
|
| 3 | VOE 14530580 | Картер (корпус) | 1 | ||
| 32 | SA 8230-29950 | Палец | 1 | ||
| 33 | SA 8230-29430 | Болт | 1 | ||
| 34 | VOE 14530584 | Limiter | 1 | ||
| 35 | VOE 14530585 | Картер (корпус) | 1 | ||
| 36 | VOE 14530586 | Поршень | 1 | ||
| 37 | VOE 14530587 | Поршень | 1 | ||
| 38 | VOE 14530588 | Пружина | 1 | ||
| 39 | VOE 14530589 | Пробка (заглушка) | 1 | ||
| 4 | VOE 14530581 | Втулка | 1 | ||
| 40 | VOE 14530590 | Пробка (заглушка) | 1 | ||
| 41 | VOE 14530591 | Болт | 1 | ||
| 42 | VOE 14513229 | Кольцо уплотнительное (О-кольцо) | 1 | ||
| 42 | VOE 14513229 | Кольцо уплотнительное (О-кольцо) | 1 | ||
| 43 | VOE 14530592 | Пробка (заглушка) | 1 | ||
| 44 | VOE 11702857 | Пробка (заглушка) | 1 | ||
| 44 | VOE 11702857 | Пробка (заглушка) | 1 | ||
| 45 | VOE 14530593 | Orifice | 1 | ||
| 46 | SA 8230-29270 | Кольцо уплотнительное (О-кольцо) | 1 | ||
| 48 | VOE 14530594 | Поршень | 1 | ||
| 49 | VOE 14530595 | Поршень | 1 | ||
| 5 | VOE 14530582 | Поршень | 1 | ||
| 50 | VOE 14530596 | Пружина | 1 | ||
| 51 | SA 8230-34830 | Кольцо уплотнительное (О-кольцо) | 1 | ||
| 6 | SA 8230-29770 | Втулка | 1 | ||
| 9 | SA 8230-29760 | Пружина | 1 |

