Installation hoses, heat and air conditioning мини погрузчика Volvo Construction Equipment MC60B
Installation hoses, heat and air conditioning мини погрузчика Volvo Construction Equipment MC60B со списком деталей и комплектацией. Каждую деталь можно приобрести в наличии и под заказ с дотавкой по всей России
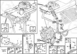
Код подсистемы:96572
Наименование:Installation hoses, heat and air conditioning
Версия:
Installation hoses, heat and air conditioning MC60B
| Поз. | Код | Наименование | Кол | Прим. | |
|---|---|---|---|---|---|
| 10 | VOE 943368 | Шланг | 1 |
L = 2800 MM
|
|
| 10 | VOE 943368 | Шланг | 1 |
L = 2800 MM
|
|
| 11 | VOE 13943472 | Hose clamp | 1 | ||
| 12 | VOE 943368 | Шланг | 1 |
L = 4050 MM
|
|
| 12 | VOE 943368 | Шланг | 1 |
L = 4050 MM
|
|
| 13 | VOE 4881440 | Cable tie | 1 | ||
| 13 | VOE 4881440 | Cable tie | 1 | ||
| 14 | VOE 11852788 | Втулка (распорная) | 1 |
L = 2 X 1200 MM
|
|
| 15 | VOE 11852286 | Втулка (распорная) | 1 |
L = 1800 MM
|
|
| 16 | VOE 11170546 | Зажим | 1 | ||
| 16 | VOE 11170546 | Зажим | 1 | ||
| 17 | VOE 946329 | Flange screw | 1 | ||
| 17 | VOE 946329 | Flange screw | 1 | ||
| 18 | VOE 13971098 | Flange nut | 1 | ||
| 18 | VOE 13971098 | Flange nut | 1 | ||
| 19 | VOE 991078 | Зажим | 1 | ||
| 19 | VOE 982341 | Зажим | 1 | ||
| 2 | VOE 11851896 | Hose assembly | 1 | ||
| 20 | VOE 11851958 | Втулка (распорная) | 1 |
L = 1500 MM
|
|
| 21 | VOE 943480 | Hose clamp | 1 | ||
| 21 | VOE 943480 | Hose clamp | 1 | ||
| 22 | VOE 11852285 | Пружина | 1 | ||
| 23 | VOE 907884 | Cotter Pin | 1 | ||
| 24 | VOE 11852287 | Кронштейн | 1 | ||
| 25 | VOE 11841560 | Шайба | 1 | ||
| 26 | VOE 955563 | Винт шестигранник | 1 | ||
| 26 | VOE 955563 | Винт шестигранник | 1 | ||
| 27 | VOE 13965175 | Болт | 1 | ||
| 27 | VOE 13965175 | Болт | 1 | ||
| 28 | VOE 13949278 | Flange lock nut | 1 | ||
| 28 | VOE 13949278 | Flange lock nut | 1 | ||
| 29 | VOE 952632 | Зажим | 1 | ||
| 29 | VOE 952632 | Зажим | 1 | ||
| 3 | VOE 11851895 | Hose assembly | 1 | ||
| 30 | VOE 11024650 | Angle plate | 1 | ||
| 30 | VOE 11024650 | Angle plate | 1 | ||
| 31 | VOE 981656 | Зажим | 1 | ||
| 31 | VOE 981656 | Зажим | 1 | ||
| 32 | VOE 13946173 | Screw | 1 | ||
| 32 | VOE 13946173 | Болт | 1 | ||
| 33 | VOE 11852167 | Moulding | 1 |
L = 150 MM
|
|
| 34 | VOE 969407 | Винт шестигранник (торцевой ключ) | 1 | ||
| 34 | VOE 969407 | Винт шестигранник (торцевой ключ) | 1 | ||
| 5 | VOE 11851894 | Трубка | 1 | ||
| 6 | VOE 11851903 | Receiver drier | 1 | ||
| 7 | VOE 11852681 | Шланг | 1 | ||
| 8 | VOE 11851940 | Клапан | 1 | ||
| 9 | VOE 943368 | Шланг | 1 |
L = 1000 MM
|
|
| 9 | VOE 943368 | Шланг | 1 |
L = 1000 MM
|

