Cable harness, air conditioning. мини погрузчика Volvo Construction Equipment MC70B
Cable harness, air conditioning. мини погрузчика Volvo Construction Equipment MC70B со списком деталей и комплектацией. Каждую деталь можно приобрести в наличии и под заказ с дотавкой по всей России
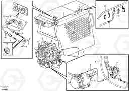
Код подсистемы:61003
Наименование:Cable harness, air conditioning.
Версия:11840319, 11840373
Cable harness, air conditioning. MC70B
| Поз. | Код | Наименование | Кол | Прим. | |
|---|---|---|---|---|---|
| 1 | VOE 11851385 | Wire harness | 1 | ||
| 13 | VOE 943920 | Пробка (заглушка) | 1 | ||
| 13 | VOE 943920 | Пробка (заглушка) | 1 | ||
| 3 | VOE 874654 | Receptacle housing | 1 | ||
| 3 | VOE 874654 | Receptacle housing | 1 | ||
| 4 | VOE 11851389 | Wire harness | 1 | ||
| 5 | VOE 874957 | Картер (корпус) | 1 | ||
| 5 | VOE 874957 | Картер (корпус) | 1 | ||
| 6 | 976422 | Housing | 1 | ||
| 6 | 976422 | Картер (корпус) | 1 |

