Hydraulic system Transport мини погрузчика Volvo Construction Equipment MC70B
Hydraulic system Transport мини погрузчика Volvo Construction Equipment MC70B со списком деталей и комплектацией. Каждую деталь можно приобрести в наличии и под заказ с дотавкой по всей России
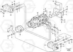
Код подсистемы:61008
Наименование:Hydraulic system Transport
Версия:11840250, 11840251
Hydraulic system Transport MC70B
| Поз. | Код | Наименование | Кол | Прим. | |
|---|---|---|---|---|---|
| 1 | VOE 11841125 | Шланг | 1 | ||
| 10 | VOE 11850570 | Шланг | 1 | ||
| 11 | VOE 11841996 | Tee | 1 | ||
| 12 | VOE 11841526 | Mount | 1 | ||
| 13 | VOE 950354 | Lock nut | 1 | ||
| 13 | VOE 950354 | Lock nut | 1 | ||
| 14 | VOE 11850571 | Шланг | 1 | ||
| 15 | VOE 11841896 | Elbow | 1 | ||
| 16 | VOE 955564 | Болт | 1 | ||
| 16 | VOE 955564 | Винт шестигранник | 1 | ||
| 17 | VOE 11841178 | Шайба | 1 | ||
| 18 | VOE 955538 | Винт шестигранник | 1 | ||
| 18 | VOE 955538 | Винт шестигранник | 1 | ||
| 19 | VOE 13946934 | Болт | 1 | ||
| 19 | VOE 13946934 | Болт | 1 | ||
| 2 | VOE 11841866 | Соединитель | 1 | ||
| 20 | VOE 11841659 | Болт | 1 | ||
| 21 | VOE 15406715 | Гайка | 1 | ||
| 22 | VOE 11850870 | Гидромотор | 1 | ||
| 23 | VOE 11852942 | Насос коробки передач (трансмиссии, КПП) | 1 | ||
| 24 | VOE 11852943 | Пилотный (шестерёнчатый) насос | 1 | ||
| 25 | VOE 990210 | Кольцо уплотнительное (О-кольцо) | 1 | ||
| 3 | VOE 11841866 | Соединитель | 1 | ||
| 4 | VOE 11841560 | Шайба | 1 | ||
| 5 | VOE 950356 | Lock nut | 1 | ||
| 5 | VOE 950356 | Lock nut | 1 | ||
| 6 | VOE 955924 | Шайба пружинная | 1 | ||
| 7 | VOE 982220 | Винт шестигранник | 1 | ||
| 8 | VOE 11841120 | Шланг | 1 | ||
| 9 | VOE 11841876 | Соединитель | 1 |

