Servo system, control valve to remote control valve экскаватора Volvo Construction Equipment EC360B SER NO INT 12152- EU&NA 80001-
Servo system, control valve to remote control valve экскаватора Volvo Construction Equipment EC360B SER NO INT 12152- EU&NA 80001- со списком деталей и комплектацией. Каждую деталь можно приобрести в наличии и под заказ с дотавкой по всей России
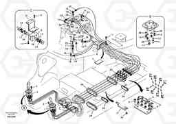
Код подсистемы:92128
Наименование:Servo system, control valve to remote control valve
Версия:
Servo system, control valve to remote control valve EC360B SER NO INT 12152- EU&NA 80001-
| Поз. | Код | Наименование | Кол | Прим. | |
|---|---|---|---|---|---|
| VOE 14506629 | Клапан | 1 | |||
| VOE 14557289 | Remote control valve | 1 |
RH,SER NO 80032-
|
||
| VOE 14510419 | Remote control valve | 1 |
LH,S/N -80031
|
||
| VOE 14510419 | Remote control valve | 1 |
LH,S/N -80031
|
||
| VOE 14510420 | Remote control valve | 1 |
RH,SER NO 80001-80031
|
||
| VOE 14510420 | Remote control valve | 1 |
RH,SER NO 80001-80031
|
||
| VOE 14557288 | Remote control valve | 1 |
LH,S/N 80032-
|
||
| VOE 14557288 | Remote control valve | 1 |
LH,S/N 80032-
|
||
| VOE 14557286 | Remote control valve | 1 |
LH
|
||
| VOE 14556359 | Rmt Cont Valve | 1 |
LH,S/N 80081-
|
||
| VOE 14556360 | Remote control valve | 1 |
RH,SER NO 80081-
|
||
| VOE 14557287 | Rmt Cont Valve | 1 |
RH
|
||
| 1 | SA 1148-01890 | Control lever | 1 |
LH,S/N -80080
|
|
| 1 | SA 1148-01890 | Control lever | 1 |
LH,S/N -80080
|
|
| 10 | VOE 14509179 | Кронштейн | 1 | ||
| 11 | VOE 946441 | Flange screw | 1 | ||
| 11 | VOE 946441 | Flange screw | 1 | ||
| 12 | SA 9411-95910 | T-nipple | 1 | ||
| 12 | SA 9411-95910 | T-nipple | 1 | ||
| 13 | SA 9412-11030 | Соединитель | 1 | ||
| 14 | SA 9413-11020 | Elbow | 1 | ||
| 15 | SA 9414-11020 | Elbow | 1 | ||
| 16 | SA 9411-92190 | T-nipple | 1 | ||
| 16 | SA 9411-92190 | T-nipple | 1 | ||
| 17 | SA 9411-92360 | Tee | 1 | ||
| 18 | SA 9451-03233 | Шланг | 1 | ||
| 19 | SA 9451-03232 | Hose assembly | 1 | ||
| 19 | SA 9451-03232 | Hose assembly | 1 | ||
| 2 | SA 1148-01900 | Control lever | 1 |
RH,SER NO 80001-80080
|
|
| 2 | SA 1148-01900 | Control lever | 1 |
RH,SER NO 80001-80080
|
|
| 20 | SA 9451-03238 | Hose | 1 | ||
| 20 | SA 9451-03238 | Шланг | 1 | ||
| 21 | SA 9451-03226 | Шланг | 1 | ||
| 22 | SA 9451-03230 | Шланг | 1 | ||
| 23 | SA 9452-03251 | Шланг | 1 | ||
| 24 | SA 9452-03225 | Hose | 1 | ||
| 24 | SA 9452-03225 | Шланг | 1 | ||
| 25 | SA 9451-03234 | Hose assembly | 1 | ||
| 25 | SA 9451-03234 | Шланг | 1 | ||
| 26 | VOE 983505 | Кольцо уплотнительное (О-кольцо) | 1 | ||
| 26 | VOE 983505 | Кольцо уплотнительное (О-кольцо) | 1 | ||
| 27 | VOE 983502 | Кольцо уплотнительное (О-кольцо) | 1 | ||
| 27 | VOE 983502 | Кольцо уплотнительное (О-кольцо) | 1 | ||
| 28 | VOE 14529065 | Уплотнительная втулка | 1 | ||
| 28 | VOE 14529065 | Уплотнительная втулка | 1 | ||
| 29 | VOE 14529064 | Уплотнительная втулка | 1 | ||
| 29 | VOE 14529064 | Уплотнительная втулка | 1 | ||
| 3 | VOE 946934 | Flange screw | 1 | ||
| 3 | VOE 946934 | Flange screw | 1 | ||
| 30 | VOE 946471 | Flange screw | 1 | ||
| 30 | VOE 946471 | Flange screw | 1 | ||
| 31 | VOE 14531409 | Зажим | 1 | ||
| 31 | VOE 14531409 | Зажим | 1 | ||
| 4 | SA 1048-10530 | Соединитель | 1 | ||
| 4 | SA 1048-10530 | Соединитель | 1 | ||
| 5 | VOE 14531097 | Корпус клапана | 1 | ||
| 5 | VOE 14531097 | Корпус клапана | 1 | ||
| 6 | SA 1148-01771 | Зажим | 1 | ||
| 7 | VOE 14501408 | Sponge | 1 | ||
| 8 | VOE 14506627 | Клапан | 1 | ||
| 9 | VOE 14519669 | Кронштейн | 1 |

