Система впуска экскаватора Volvo Construction Equipment EC240B SER NO INT 12641- EU & NA 80001-
Система впуска экскаватора Volvo Construction Equipment EC240B SER NO INT 12641- EU & NA 80001- со списком деталей и комплектацией. Каждую деталь можно приобрести в наличии и под заказ с дотавкой по всей России
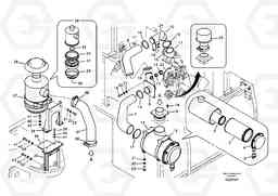
Код подсистемы:71751
Наименование:Inlet system
Версия:
Inlet system EC240B SER NO INT 12641- EU & NA 80001-
| Поз. | Код | Наименование | Кол | Прим. | |
|---|---|---|---|---|---|
| VOE 946173 | Flange screw | 1 |
SER NO 80258-
|
||
| VOE 946173 | Flange screw | 1 |
SER NO 80258-
|
||
| VOE 14881077 | Impeller | 1 | |||
| VOE 14881080 | Зажим | 1 | |||
| SA 9313-10375 | Clamping band | 1 |
SER NO 80808-
|
||
| 1 | VOE 14509449 | Air cleaner | 1 | ||
| 10 | VOE 14545034 | Трубка | 1 | ||
| 11 | VOE 14532126 | Шланг | 1 | ||
| 12 | VOE 14537427 | Зажим | 1 | ||
| 13 | VOE 14506431 | Соединитель | 1 | ||
| 13 | VOE 14506431 | Соединитель | 1 | ||
| 14 | VOE 20565673 | Vacuum switch | 1 | ||
| 14 | VOE 20565673 | Vacuum switch | 1 | ||
| 15 | SA 9313-10400 | Зажим | 1 |
SER NO 80001-80807
|
|
| 16 | SA 9313-10425 | Зажим | 1 | ||
| 16 | SA 9313-10425 | Clamping band | 1 | ||
| 17 | SA 9313-10525 | Зажим | 1 | ||
| 17 | SA 9313-10525 | Clamping band | 1 | ||
| 18 | VOE 983251 | Винт шестигранник | 1 | ||
| 18 | VOE 983251 | Винт шестигранник | 1 | ||
| 19 | VOE 946173 | Flange screw | 1 | ||
| 19 | VOE 946173 | Flange screw | 1 | ||
| 2 | VOE 11110022 | Фильтр воздушный | 1 | ||
| 2 | VOE 11110022 | Фильтр воздушный | 1 | ||
| 20 | VOE 955922 | Шайба пружинная | 1 | ||
| 20 | VOE 955922 | Шайба пружинная | 1 | ||
| 21 | SA 9211-10000 | Шайба | 1 | ||
| 21 | SA 9211-10000 | Шайба | 1 | ||
| 22 | VOE 949800 | Шланг | 1 | ||
| 22 | VOE 949800 | Шланг | 1 | ||
| 23 | VOE 983252 | Винт шестигранник | 1 | ||
| 23 | VOE 983252 | Винт шестигранник | 1 | ||
| 24 | VOE 946440 | Flange screw | 1 |
SER NO 80001-80257
|
|
| 24 | VOE 946440 | Flange screw | 1 |
SER NO 80001-80257
|
|
| 25 | VOE 14526930 | Pre-cleaner | 1 | ||
| 25 | VOE 14526930 | Pre-cleaner | 1 | ||
| 26 | VOE 11707307 | Крышка | 1 | ||
| 26 | VOE 11707307 | Крышка | 1 | ||
| 27 | VOE 14554000 | Зажим | 1 | ||
| 27 | VOE 14554000 | Зажим | 1 | ||
| 28 | VOE 14520264 | Кронштейн | 1 | ||
| 28 | VOE 14520264 | Кронштейн | 1 | ||
| 29 | VOE 4880805 | Фильтр воздушный | 1 | ||
| 29 | VOE 4880805 | Фильтр воздушный | 1 | ||
| 3 | VOE 11110023 | Safety filter | 1 | ||
| 30 | VOE 6212135 | Oil reservoir | 1 | ||
| 30 | VOE 6212135 | Oil reservoir | 1 | ||
| 31 | VOE 6634778 | Latch | 1 | ||
| 31 | VOE 6634778 | Latch | 1 | ||
| 32 | VOE 6212136 | Insert | 1 | ||
| 32 | VOE 6212136 | Insert | 1 | ||
| 33 | VOE 6212282 | Кольцо уплотнительное | 1 | ||
| 33 | VOE 6212282 | Кольцо уплотнительное | 1 | ||
| 34 | VOE 6212283 | Кольцо уплотнительное | 1 | ||
| 34 | VOE 6212283 | Кольцо уплотнительное | 1 | ||
| 35 | VOE 14554003 | Bracket | 1 | ||
| 35 | VOE 14554003 | Кронштейн | 1 | ||
| 36 | VOE 14512892 | Пластина | 1 | ||
| 37 | VOE 14532127 | Шланг | 1 | ||
| 37 | VOE 14532127 | Шланг | 1 | ||
| 38 | SA 9313-10475 | Зажим | 1 | ||
| 38 | SA 9313-10475 | Clamping band | 1 | ||
| 39 | SA 9313-10525 | Зажим | 1 | ||
| 39 | SA 9313-10525 | Clamping band | 1 | ||
| 4 | VOE 14513672 | Крышка | 1 | ||
| 40 | VOE 955923 | Шайба пружинная | 1 | ||
| 40 | VOE 955923 | Шайба пружинная | 1 | ||
| 41 | VOE 978933 | Винт шестигранник | 1 | ||
| 41 | VOE 978933 | Винт шестигранник | 1 | ||
| 42 | SA 9211-12000 | Шайба | 1 | ||
| 42 | SA 9211-12000 | Шайба | 1 | ||
| 43 | VOE 978934 | Винт шестигранник | 1 | ||
| 43 | VOE 978934 | Винт шестигранник | 1 | ||
| 5 | VOE 11701952 | Valve | 1 | ||
| 5 | VOE 11701952 | Клапан | 1 | ||
| 6 | VOE 14509446 | Соединитель | 1 | ||
| 7 | VOE 14532122 | Шланг | 1 | ||
| 8 | VOE 14532123 | Соединитель | 1 | ||
| 9 | VOE 14532124 | Шланг | 1 |

