Work lights, extra экскаватора Volvo Construction Equipment EC290B APPENDIX FX FORESTRY VER.
Work lights, extra экскаватора Volvo Construction Equipment EC290B APPENDIX FX FORESTRY VER. со списком деталей и комплектацией. Каждую деталь можно приобрести в наличии и под заказ с дотавкой по всей России
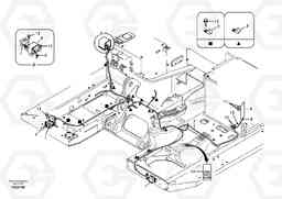
Код подсистемы:61077
Наименование:Work lights, extra
Версия:
Work lights, extra EC290B APPENDIX FX FORESTRY VER.
| Поз. | Код | Наименование | Кол | Прим. | |
|---|---|---|---|---|---|
| 1 | VOE 11039846 | Фара | 1 | ||
| 1 | VOE 11039846 | Фара | 1 | ||
| 10 | VOE 14881252 | Скоба (хомут) | 1 | ||
| 11 | VOE 20374662 | Реле | 1 | ||
| 12 | VOE 946329 | Flange screw | 1 | ||
| 12 | VOE 946329 | Flange screw | 1 | ||
| 13 | VOE 946471 | Flange screw | 1 | ||
| 13 | VOE 946471 | Flange screw | 1 | ||
| 14 | VOE 14529229 | Переключатель | 1 | ||
| 2 | SA 1122-01240 | Bulb | 1 |
24V,70W
|
|
| 3 | VOE 14500293 | Скоба (хомут) | 1 | ||
| 3 | VOE 14500293 | Скоба (хомут) | 1 | ||
| 4 | VOE 14522575 | Скоба (хомут) | 1 | ||
| 4 | VOE 14522575 | Скоба (хомут) | 1 | ||
| 5 | VOE 14529352 | Уплотнительная втулка | 1 | ||
| 5 | VOE 14529352 | Уплотнительная втулка | 1 | ||
| 6 | VOE 14539694 | Кронштейн | 1 | ||
| 7 | VOE 14548713 | Wire harness | 1 | ||
| 8 | VOE 14548714 | Decal | 1 | ||
| 9 | VOE 14549836 | Wire harness | 1 |

