Cable harness, electrical distribution unit погрузчика колесного Volvo Construction Equipment L70F
Cable harness, electrical distribution unit погрузчика колесного Volvo Construction Equipment L70F со списком деталей и комплектацией. Каждую деталь можно приобрести в наличии и под заказ с дотавкой по всей России
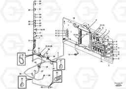
Код подсистемы:92587
Наименование:Cable harness, electrical distribution unit
Версия:
Cable harness, electrical distribution unit L70F
| Поз. | Код | Наименование | Кол | Прим. | |
|---|---|---|---|---|---|
| 1 | VOE 15018703 | Cable harness | 1 | ||
| 1 | VOE 15018703 | Cable harness | 1 | ||
| 1 | VOE 15093268 | Cable harness | 1 | ||
| 10 | VOE 20367826 | Картер (корпус) | 1 | ||
| 11 | VOE 3987482 | Картер (корпус) | 1 | ||
| 12 | VOE 1078189 | Locking plate | 1 | ||
| 13 | VOE 13948996 | Изолятор | 1 | ||
| 13 | VOE 13948996 | Изолятор | 1 | ||
| 14 | VOE 11041349 | Resistor Unit | 1 | ||
| 15 | VOE 20367827 | Картер (корпус) | 1 | ||
| 16 | VOE 1096618 | Receptacle housing | 1 | ||
| 16 | VOE 1096618 | Receptacle housing | 1 | ||
| 17 | VOE 15019446 | Картер (корпус) | 1 | ||
| 18 | VOE 11171653 | Картер (корпус) | 1 | ||
| 19 | VOE 11171654 | Картер (корпус) | 1 | ||
| 2 | VOE 15411524 | By-pass unit | 1 |
RED
|
|
| 2 | VOE 3173314 | By-pass unit | 1 | ||
| 20 | VOE 70369714 | Соединитель | 1 | ||
| 20 | VOE 70369714 | Картер (корпус) | 1 | ||
| 21 | VOE 70377146 | Соединитель | 1 | ||
| 22 | VOE 1307600 | Картер (корпус) | 1 | ||
| 22 | VOE 1307600 | Изолятор | 1 | ||
| 23 | VOE 4803746 | Шланг | 1 | ||
| 23 | VOE 4803746 | Шланг | 1 | ||
| 24 | VOE 961970 | Пробка (заглушка) | 1 | ||
| 24 | VOE 961970 | Пробка (заглушка) | 1 | ||
| 25 | VOE 874960 | Картер (корпус) | 1 | ||
| 25 | VOE 874960 | Картер (корпус) | 1 | ||
| 26 | VOE 949005 | Receptacle housing | 1 | ||
| 26 | VOE 949005 | Receptacle housing | 1 | ||
| 27 | VOE 964198 | Картер (корпус) | 1 | ||
| 28 | VOE 8159013 | Картер (корпус) | 1 | ||
| 28 | VOE 8159013 | Изолятор | 1 | ||
| 29 | VOE 20367823 | Картер (корпус) | 1 | ||
| 29 | VOE 20367824 | Картер (корпус) | 1 | ||
| 29 | VOE 20367824 | Картер (корпус) | 1 | ||
| 3 | VOE 15411541 | By-pass unit | 1 |
BL
|
|
| 3 | VOE 11170340 | By-pass unit | 1 | ||
| 30 | VOE 11170248 | Картер (корпус) | 1 | ||
| 31 | VOE 70377147 | Соединитель | 1 | ||
| 32 | VOE 11170260 | Картер (корпус) | 1 | ||
| 33 | VOE 11170261 | Картер (корпус) | 1 | ||
| 34 | VOE 11170262 | Картер (корпус) | 1 | ||
| 35 | VOE 11170263 | Картер (корпус) | 1 | ||
| 36 | VOE 11170264 | Картер (корпус) | 1 | ||
| 37 | VOE 943920 | Пробка (заглушка) | 1 | ||
| 37 | VOE 943920 | Пробка (заглушка) | 1 | ||
| 38 | VOE 8141996 | Картер (корпус) | 1 | ||
| 38 | VOE 8141996 | Картер (корпус) | 1 | ||
| 39 | VOE 14016673 | Strip clamp | 1 | ||
| 39 | VOE 14016673 | Strip clamp | 1 | ||
| 4 | VOE 11170149 | Картер (корпус) | 1 | ||
| 5 | VOE 984944 | Картер (корпус) | 1 | ||
| 6 | VOE 20367822 | Картер (корпус) | 1 | ||
| 7 | VOE 13958210 | Receptacle housing | 1 | ||
| 7 | VOE 13958210 | Receptacle housing | 1 | ||
| 8 | VOE 1096614 | Картер (корпус) | 1 | ||
| 8 | VOE 1096614 | Изолятор | 1 | ||
| 9 | VOE 958213 | Картер (корпус) | 1 |

